GM Service Manual Online
For 1990-2009 cars only
Makes
🢒
Chevrolet
🢒
2003
🢒
Chevy C Silverado - 2WD
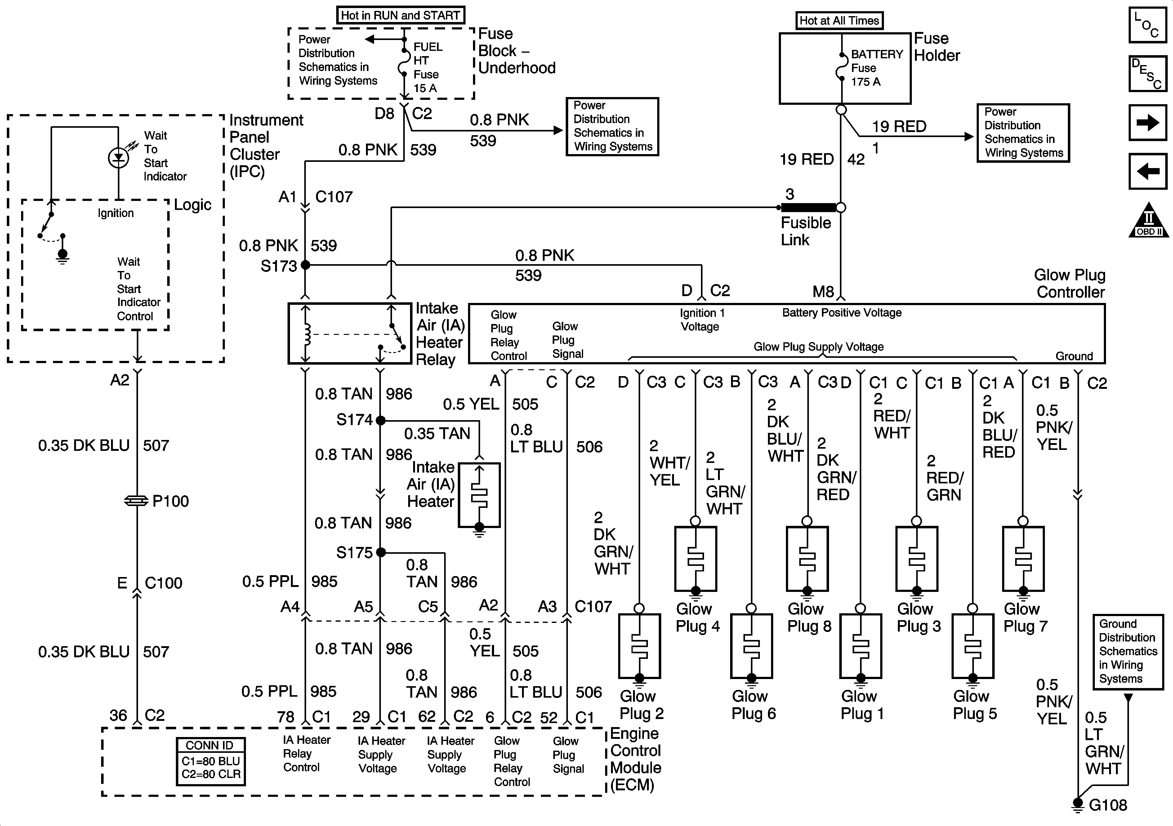
🢒 Engine Data Sensors - Glow Plug Controls - California Emissions
Engine Data Sensors - Glow Plug Controls - California Emissions
Engine Data Sensors - Glow Plug Controls - California Emissions
Master Electrical Component List
Engine Control Module Description
Fuel Controls - Fuel Pump Controls
Data Sensors - Glow Plug Controls - Except California Emissions
OBD II Symbol Description Notice
Ignition, Run, Start, Accy Bus Bar
Ignition, Run, Start, Accy Bus Bar
FUEL HT and ECM I Fuses - Diesel Only
B+ Bus Bar (Gas) - 1 of 3
Ignition, Run, Start, Accy Bus Bar
Indicators, DIC Controls, Washer Fluid Level Sensor