GM Service Manual Online
For 1990-2009 cars only
Makes
🢒
Chevrolet
🢒
2004
🢒
Chevy C Silverado - 2WD
🢒 Charging - Diesel
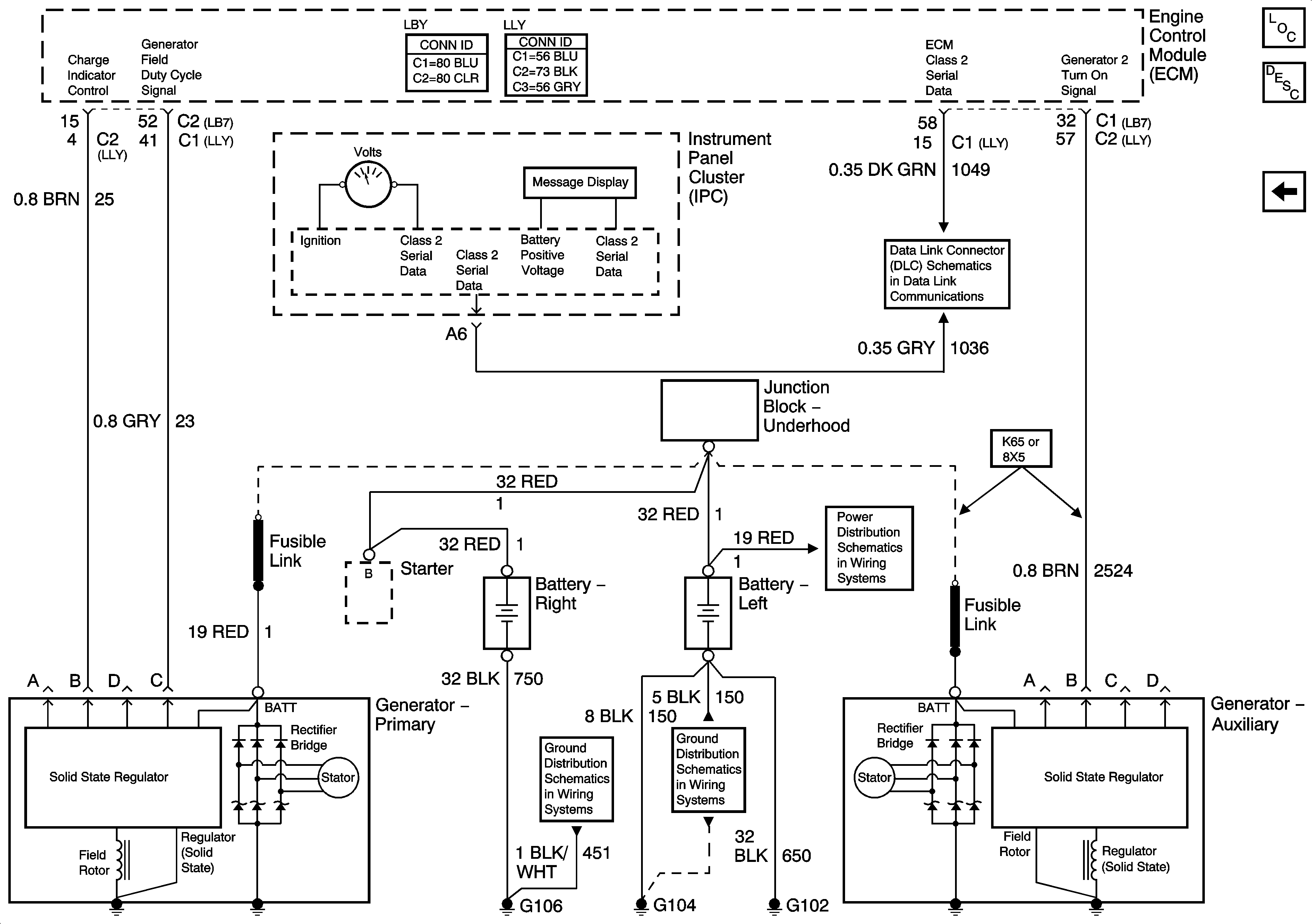
Charging - Diesel
Charging - Diesel
Master Electrical Component List
Starter/Generator Description and Operation
Charging - Gas
SP205 - 2 of 2
Battery Supply - 1 of 2
G104, G106, and G107
G104, G106, and G107