GM Service Manual Online
For 1990-2009 cars only
Makes
🢒
Chevrolet
🢒
2004
🢒
Chevy C Silverado - 2WD
🢒 Charging - Gas
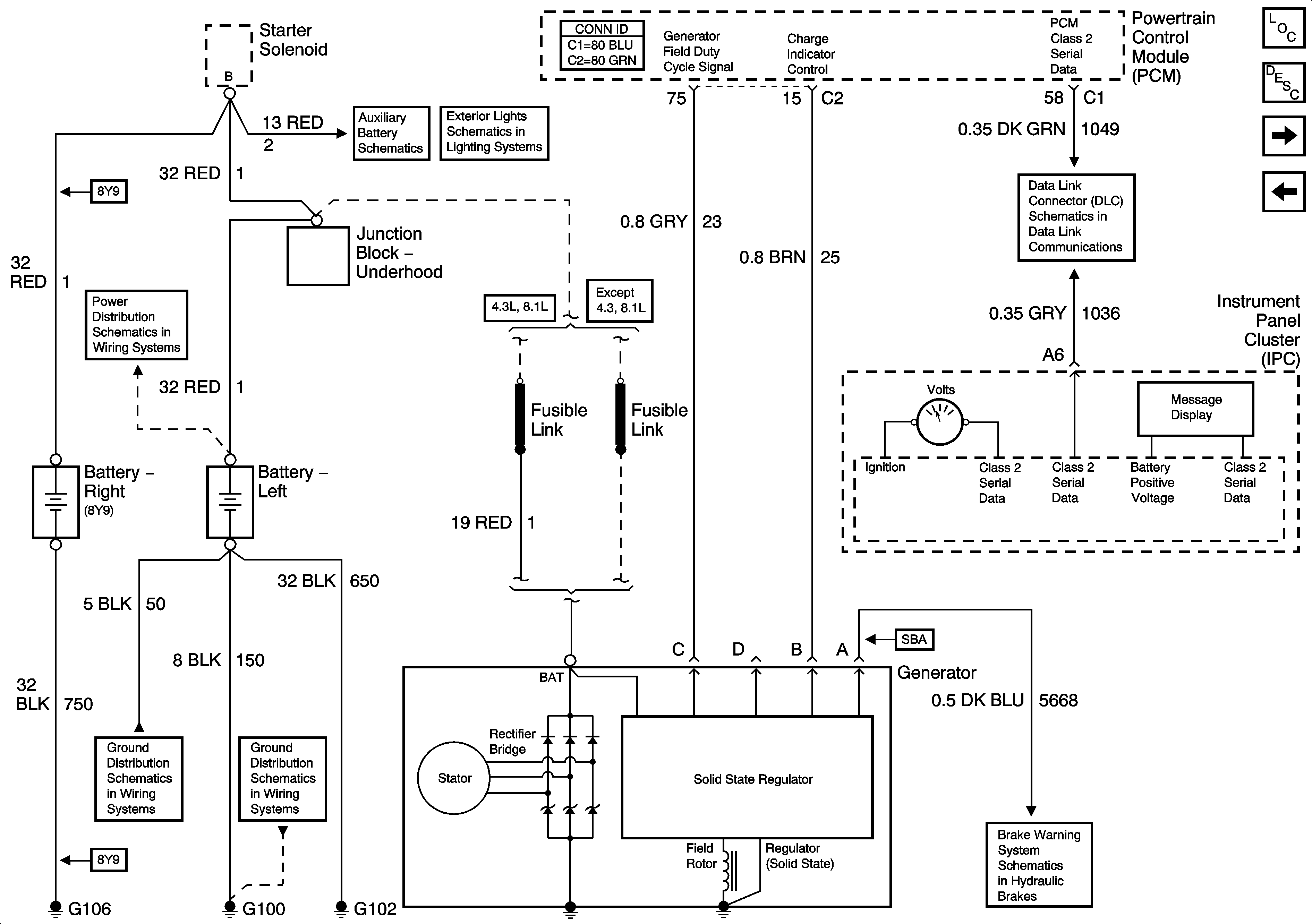
Charging - Gas
Charging - Gas
Master Electrical Component List
Starter/Generator Description and Operation
Charging - Diesel
Starting - Diesel
Auxiliary Battery Schematics
Roof Beacon
SP205 - 2 of 2
Battery Supply - 1 of 2
G100 and G101
G100 and G101
Supplemental Brake Assist