GM Service Manual Online
For 1990-2009 cars only
Makes
🢒
Chevrolet
🢒
2004
🢒
Chevy C Silverado - 2WD
🢒 Power, Ground and Data Link Connector
Power, Ground and Data Link Connector
Power, Ground and Data Link Connector
Master Electrical Component List
Data Link Communications Description and Operation
SP205 - 1 of 2
B+ Bus Bar - 1 of 2
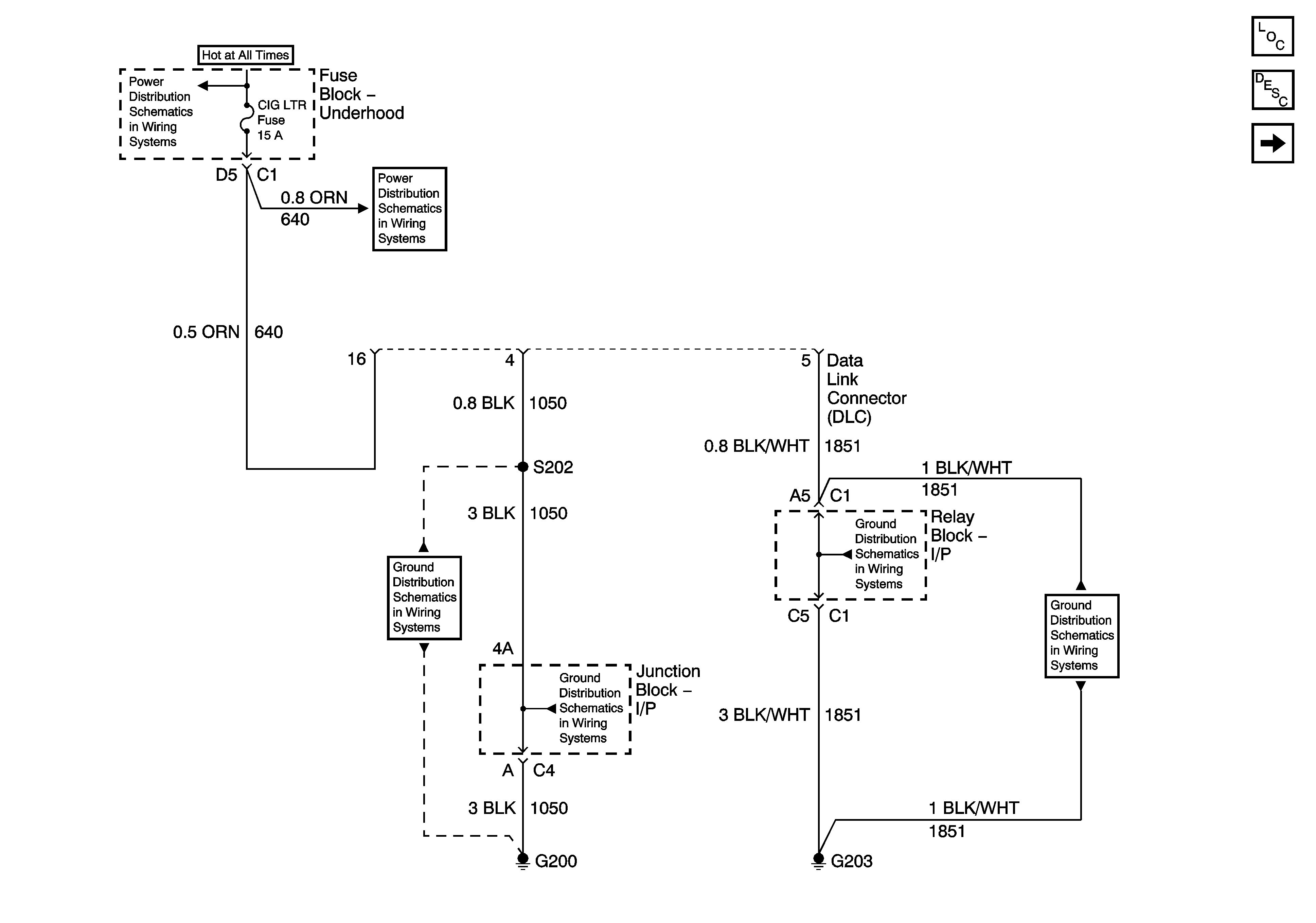
INFO and CIG LTR Fuses
G200 - 1 of 3
G200 - 1 of 3
G203 - 1 of 3
G203 - 1 of 3