GM Service Manual Online
For 1990-2009 cars only
Makes
🢒
Chevrolet
🢒
2004
🢒
Chevy C Silverado - 2WD
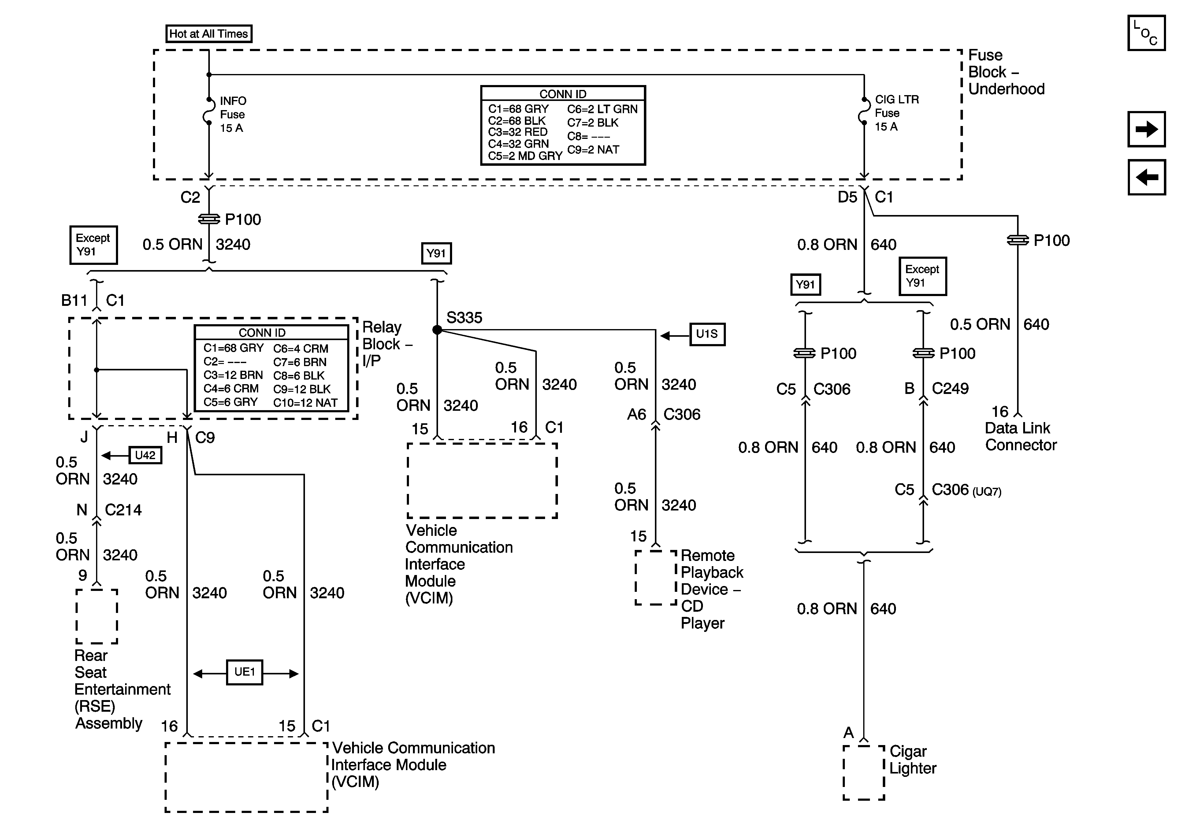
🢒 INFO and CIG LTR Fuses
INFO and CIG LTR Fuses
INFO and CIG LTR Fuses
Master Electrical Component List
RTD, IPC/DIC, SEO B1, SUNROOF, EAP, and RR WPR Fuses
4WS, RADIO, and RADIO AMP Fuses