GM Service Manual Online
For 1990-2009 cars only
Makes
🢒
Chevrolet
🢒
2004
🢒
Chevy C Silverado - 2WD
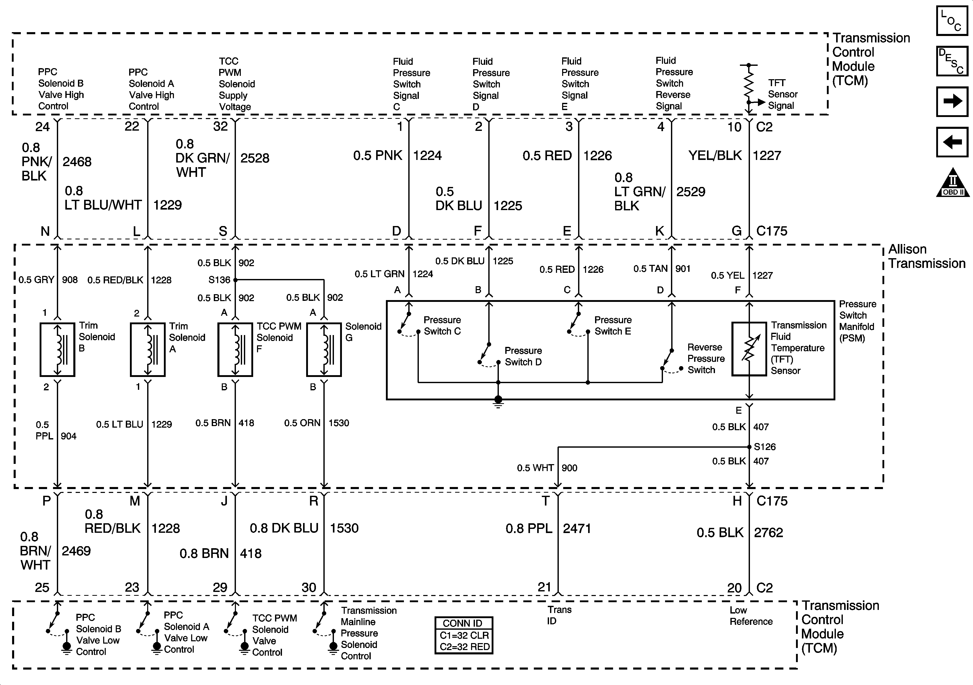
🢒 Pressure Switches and Fluid Temperature
Pressure Switches and Fluid Temperature
Pressure Switches and Fluid Temperature
Master Electrical Component List
Electronic Component Description
Speed Sensors
Shift Solenoids and PNP Signals
OBD II Symbol Description Notice