GM Service Manual Online
For 1990-2009 cars only
Makes
🢒
Chevrolet
🢒
2004
🢒
Chevy C Silverado - 2WD
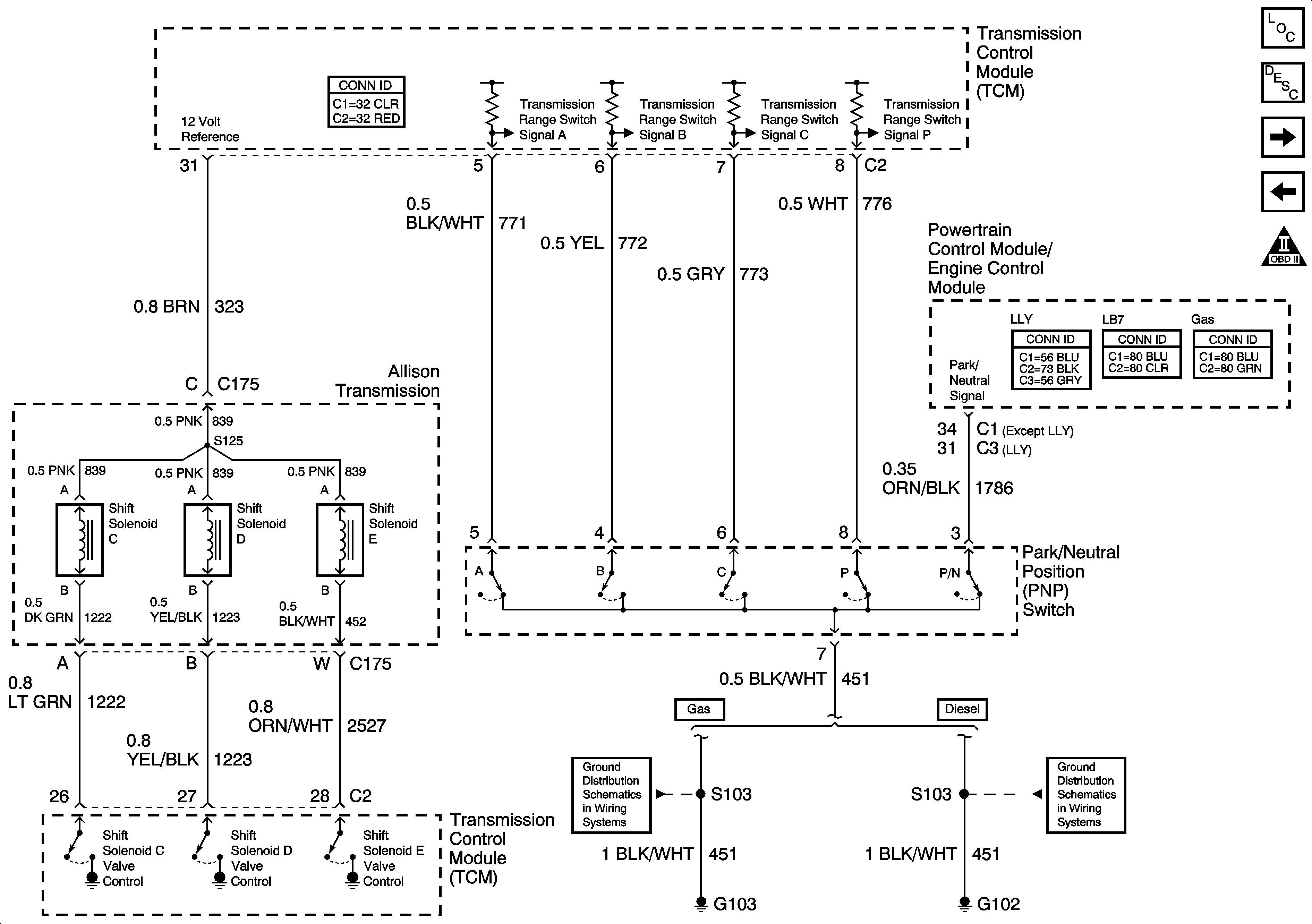
🢒 Shift Solenoids and PNP Signals
Shift Solenoids and PNP Signals
Shift Solenoids and PNP Signals
Master Electrical Component List
Electronic Component Description
Pressure Switches and Fluid Temperature
MIL Control, Serial Data and Torque Signals
OBD II Symbol Description Notice
Transmission Controls - A/T
Transmission Controls - A/T
G103 - Gas
G102, G103, G108 and G109 - Diesel