GM Service Manual Online
For 1990-2009 cars only
Makes
🢒
Chevrolet
🢒
2004
🢒
Chevy C Silverado - 2WD
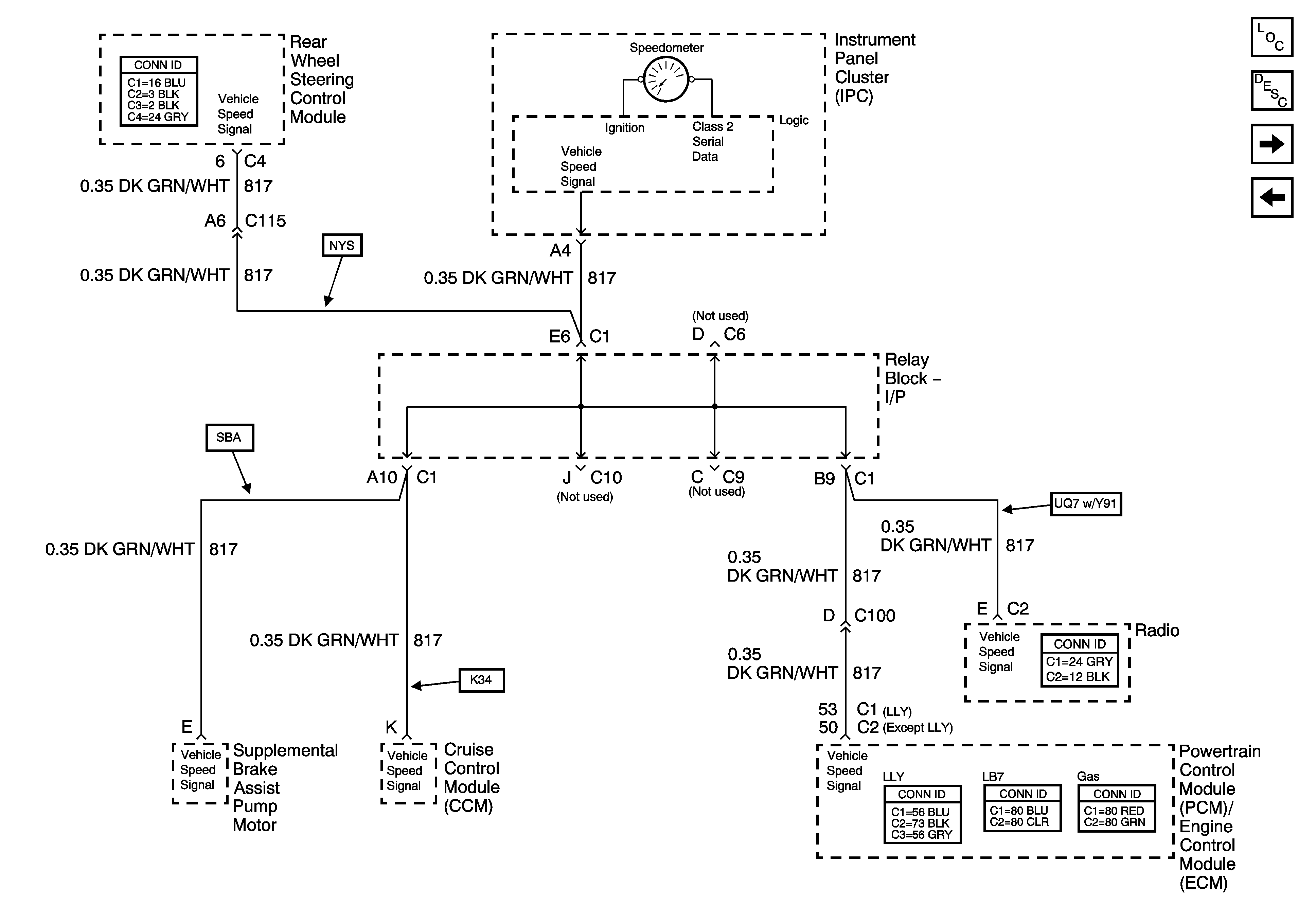
🢒 Vehicle Speed and Speedometer
Vehicle Speed and Speedometer
Vehicle Speed and Speedometer
Master Electrical Component List
Instrument Cluster Description and Operation
Fuel Gage
Gages