GM Service Manual Online
For 1990-2009 cars only
Makes
🢒
Chevrolet
🢒
2004
🢒
Chevy C Silverado - 2WD
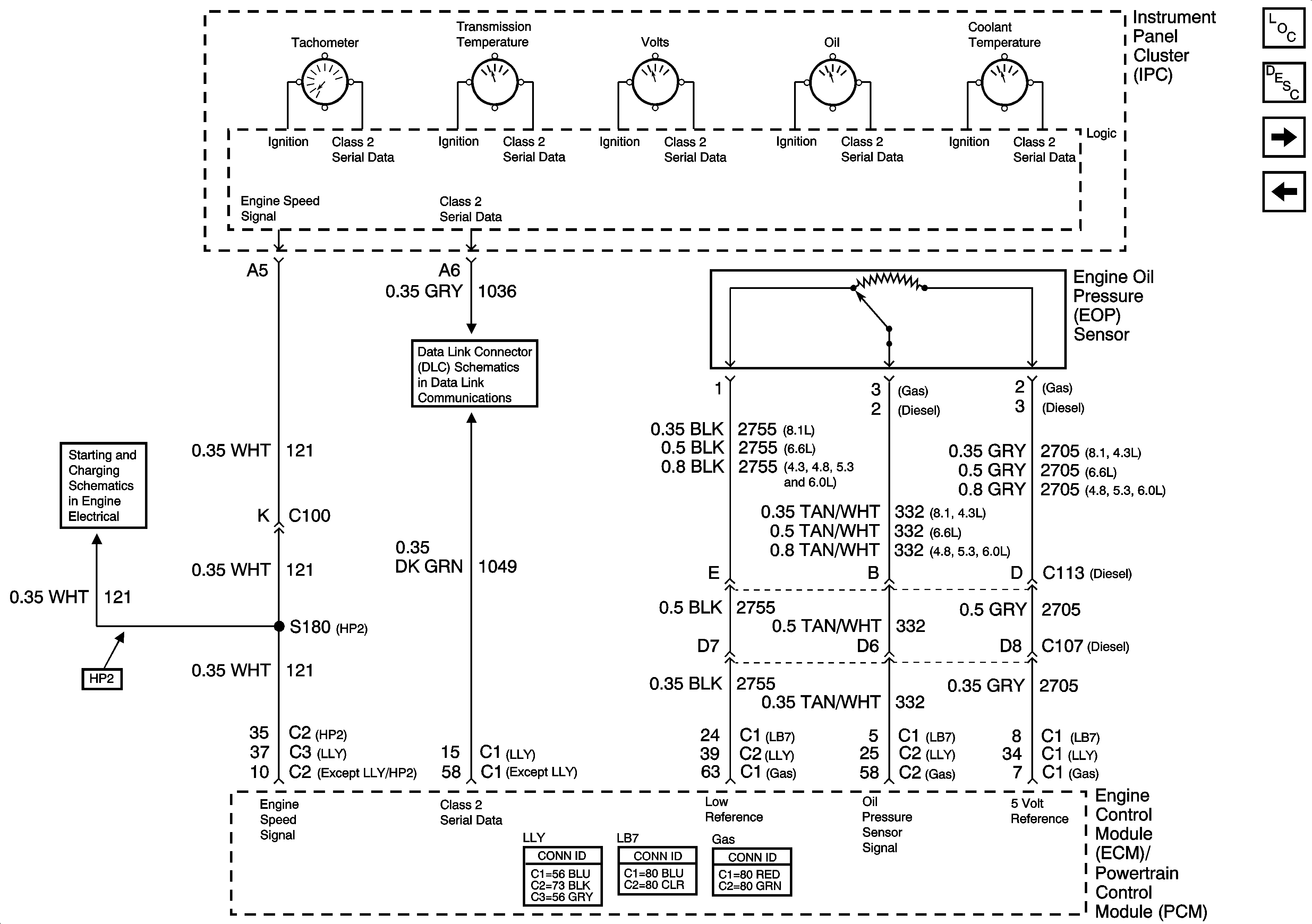
🢒 Gages
Gages
Gages
Master Electrical Component List
Instrument Cluster Description and Operation
Vehicle Speed and Speedometer
Indicators
SP205 - 1 of 2
Engine Speed Signal and Accessory Battery Charging