GM Service Manual Online
For 1990-2009 cars only
Makes
🢒
Chevrolet
🢒
2004
🢒
Chevy C Silverado - 2WD
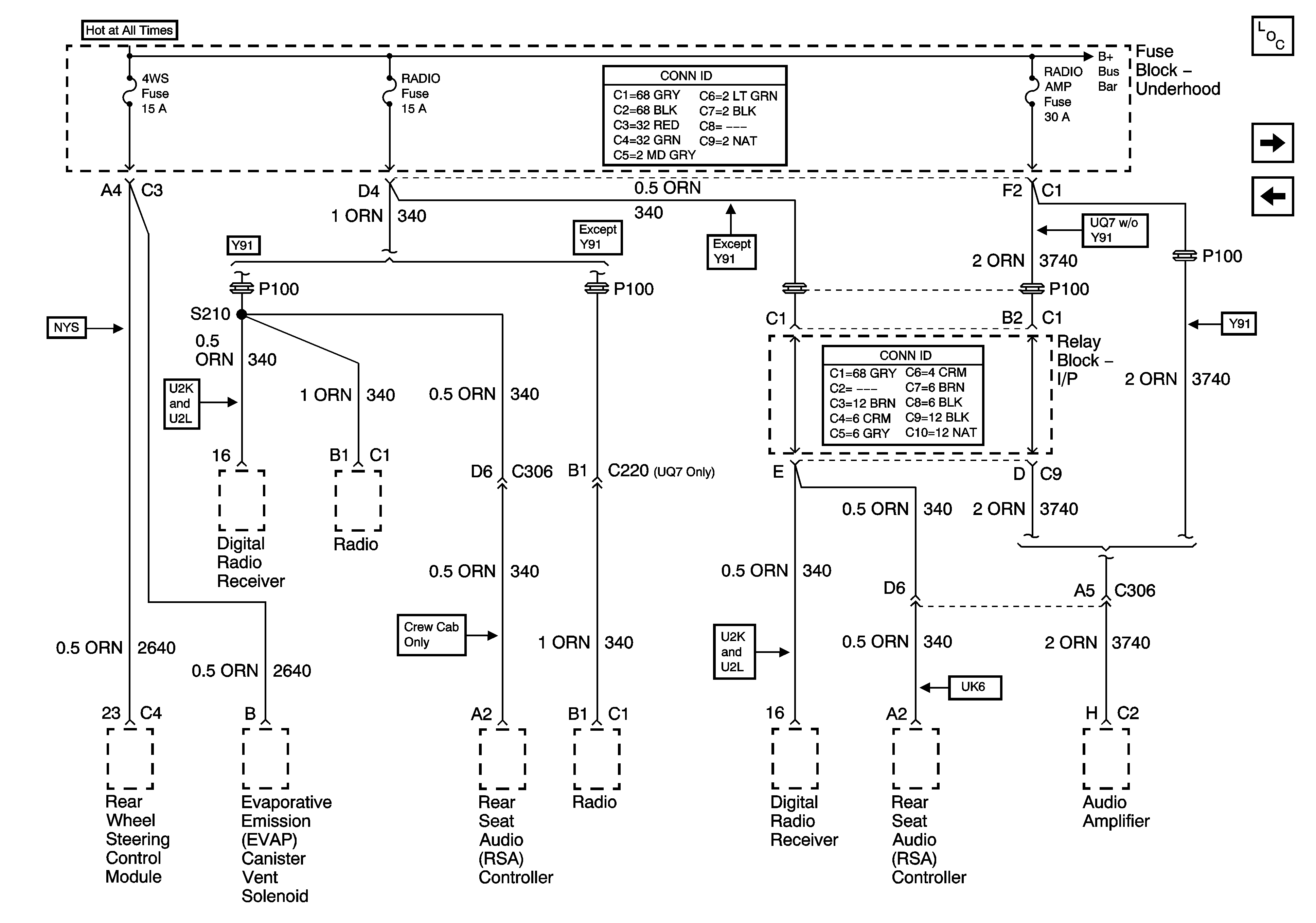
🢒 4WS, RADIO, and RADIO AMP Fuses
4WS, RADIO, and RADIO AMP Fuses
4WS, RADIO, and RADIO AMP Fuses
Master Electrical Component List
INFO and CIG LTR Fuses
ABS, VSES/ECAS, STUD #1, STUD #2, and TBC BATT Fuses
B+ Bus Bar - 1 of 2