GM Service Manual Online
For 1990-2009 cars only
Makes
🢒
Chevrolet
🢒
2004
🢒
Chevy C Silverado - 2WD
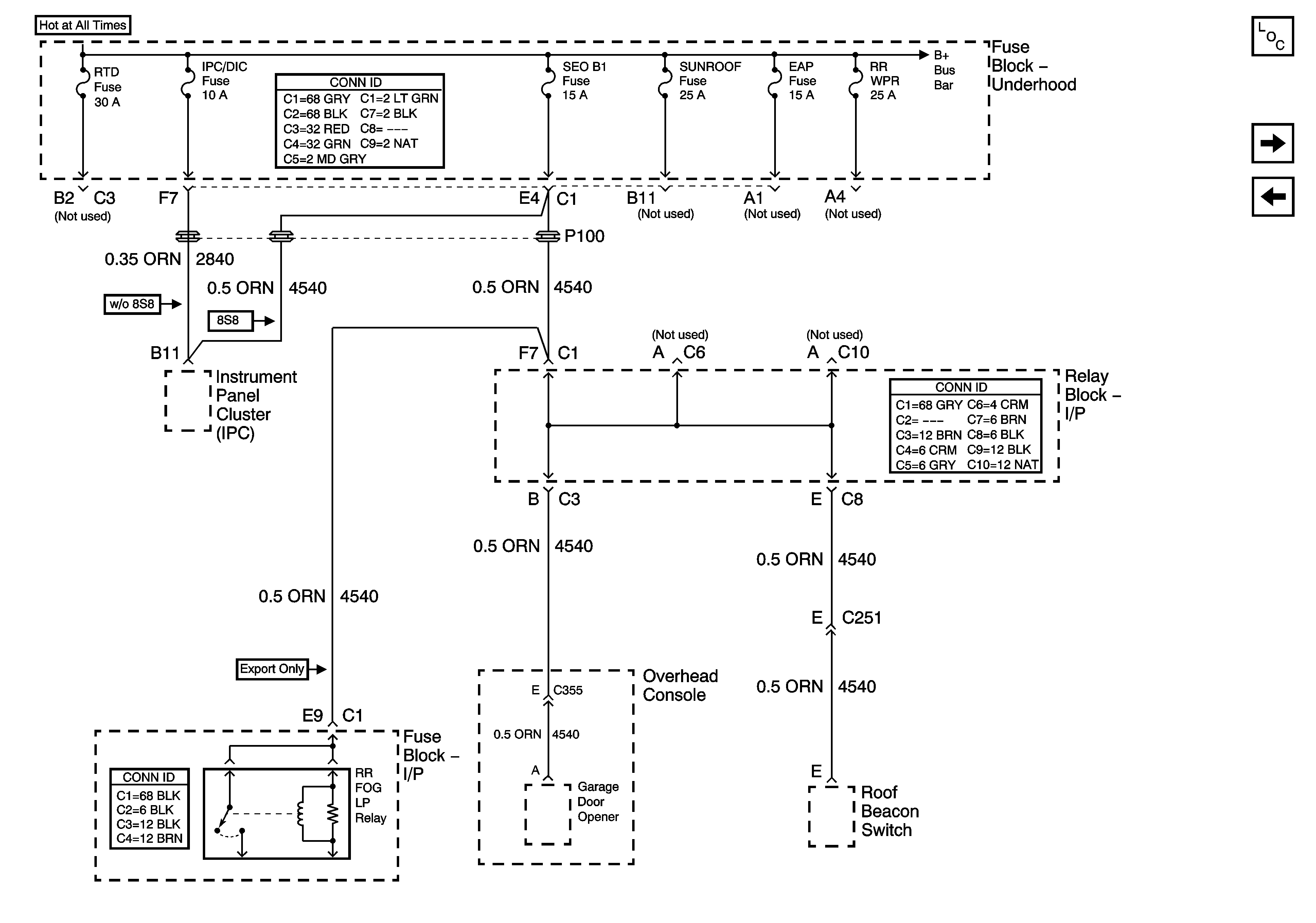
🢒 RTD, IPC/DIC, SEO B1, SUNROOF, EAP, and RR WPR Fuses
RTD, IPC/DIC, SEO B1, SUNROOF, EAP, and RR WPR Fuses
RTD, IPC/DIC, SEO B1, SUNROOF, EAP, and RR WPR Fuses
Master Electrical Component List
PCM B, ECMRPV, EDU Fuses, F/PMP and EDU/IGN 1 Relays - Diesel Only
INFO and CIG LTR Fuses
B+ Bus Bar - 1 of 2