GM Service Manual Online
For 1990-2009 cars only
Makes
🢒
Chevrolet
🢒
2004
🢒
Chevy C Silverado - 2WD
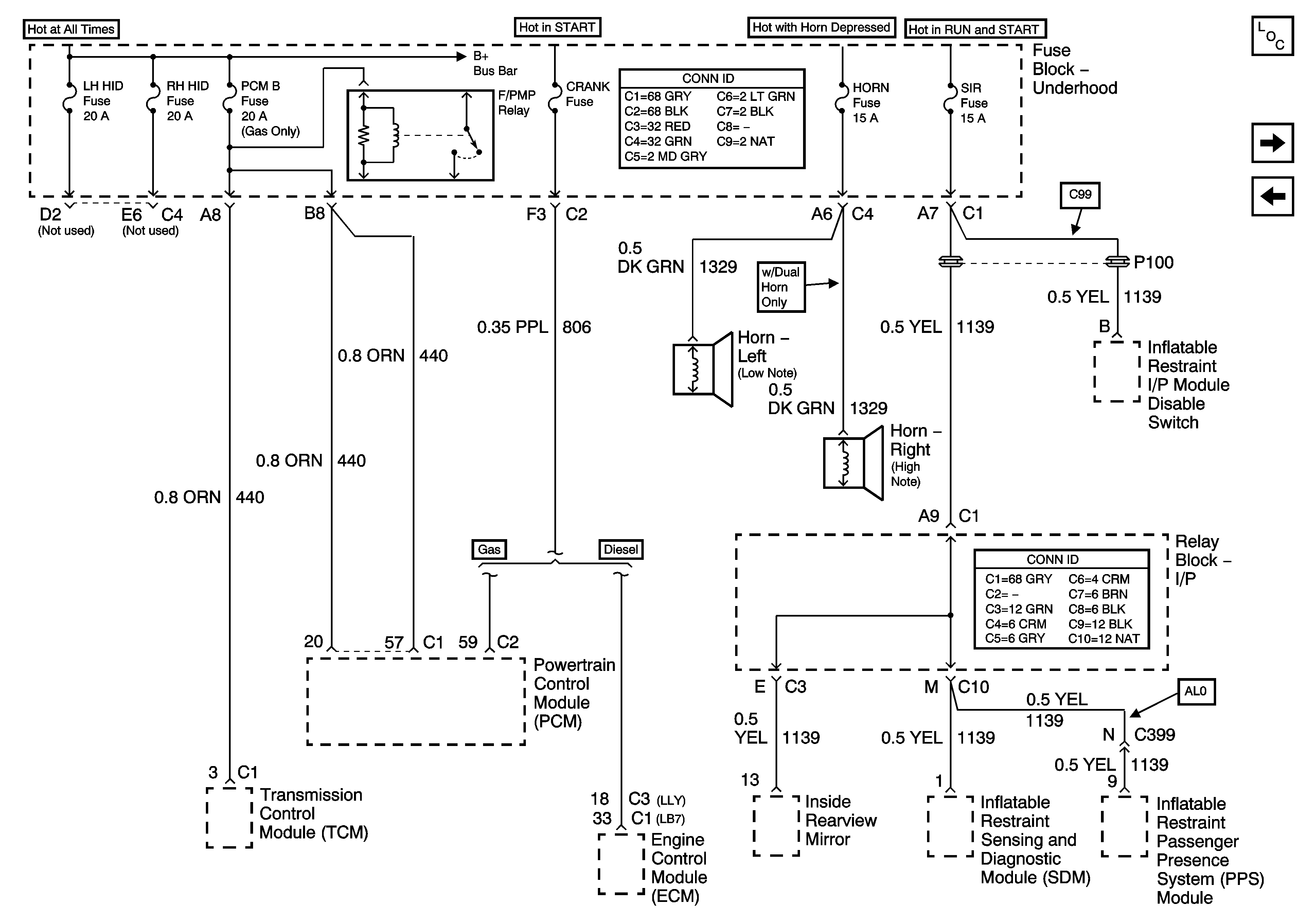
🢒 LH HID, RH HID, PCM B, CRANK, HORN, and SIR Fuses
LH HID, RH HID, PCM B, CRANK, HORN, and SIR Fuses
LH HID, RH HID, PCM B, CRANK, HORN, and SIR Fuses
Master Electrical Component List
O2A, O2B, TBC IGN 1, and SEO IGN Fuses
HVAC/ECAS, RR HVAC, BLOWER, RR DEFOG, STOP LP, and TREC Fuses
B+ Bus Bar - 2 of 2