GM Service Manual Online
For 1990-2009 cars only
Makes
🢒
Chevrolet
🢒
2004
🢒
Chevy C Silverado - 2WD
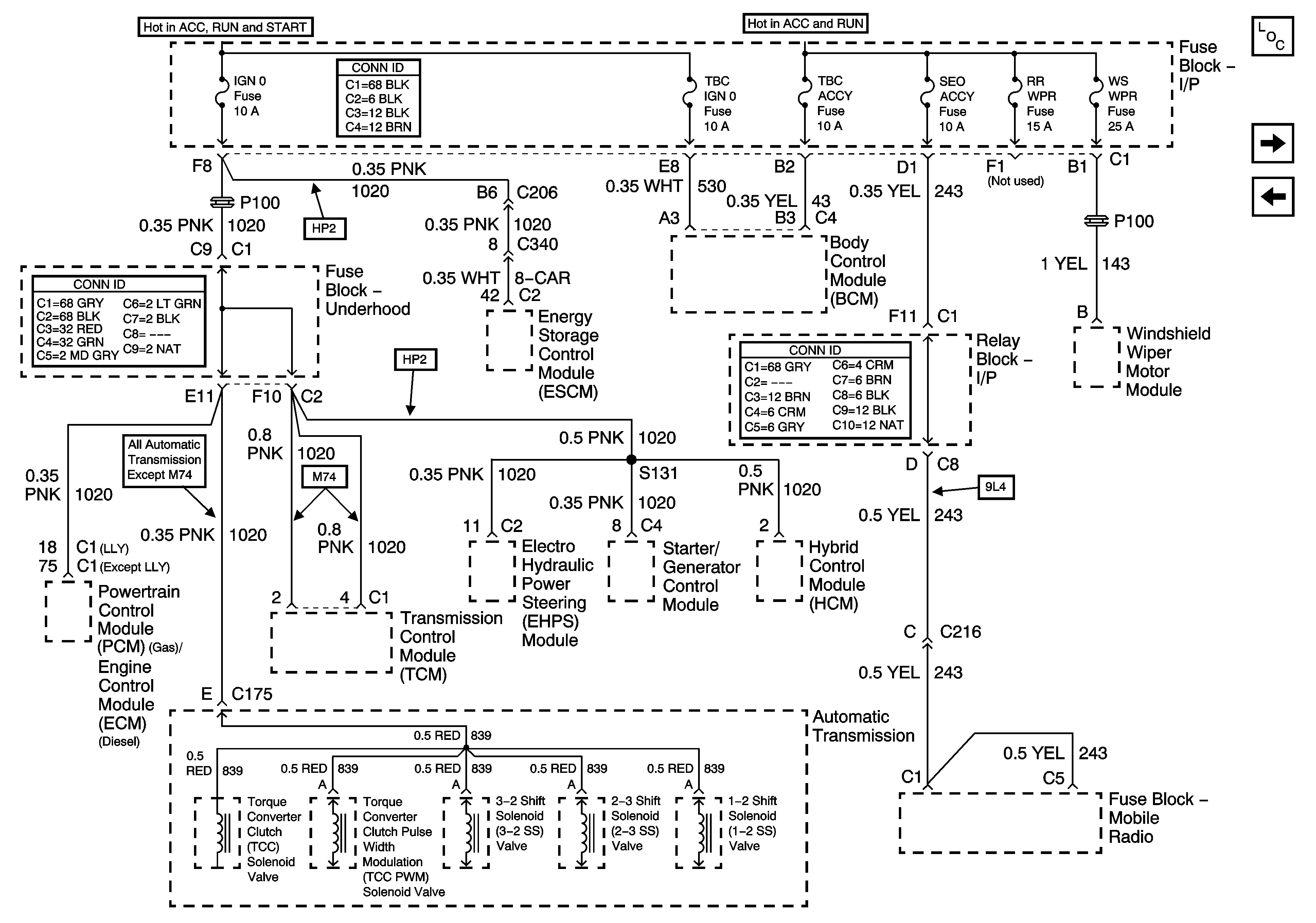
🢒 IGN 0, TBC IGN 0,TBC ACCY, SEO ACCY, RR WPR, and WS WPR Fuses
IGN 0, TBC IGN 0,TBC ACCY, SEO ACCY, RR WPR, and WS WPR Fuses
IGN 0, TBC IGN 0, TBC ACCY, SEO ACCY, RR WPR, and WS WPR Fuses
Master Electrical Component List
FUEL HT and PCM I Fuses - Diesel
INJ 1 and INJ 2 Fuses - 8.1L