GM Service Manual Online
For 1990-2009 cars only
Makes
🢒
Chevrolet
🢒
2004
🢒
Chevy C Silverado - 2WD
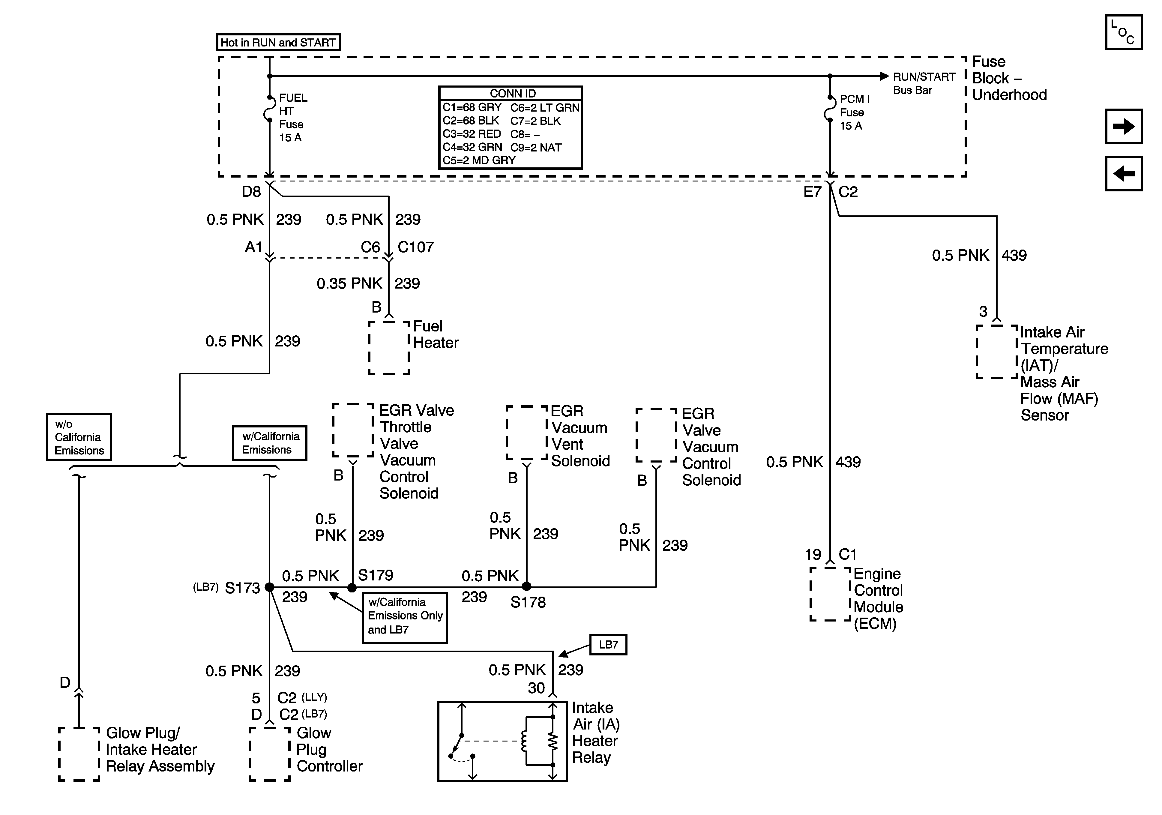
🢒 FUEL HT and PCM I Fuses - Diesel
FUEL HT and PCM I Fuses - Diesel
FUEL HT and PCM 1 Fuses - Diesel
Master Electrical Component List
TBC 2A, TBC 2B, TBC 2C Fuses and LT DOORS, RT DOOR, SEAT Circuit Breakers
IGN 0, TBC IGN 0,TBC ACCY, SEO ACCY, RR WPR, and WS WPR Fuses
Ignition Switch - ACC/RUN and RUN/START Bus Bars