GM Service Manual Online
For 1990-2009 cars only
Makes
🢒
Chevrolet
🢒
2004
🢒
Chevy C Silverado - 2WD
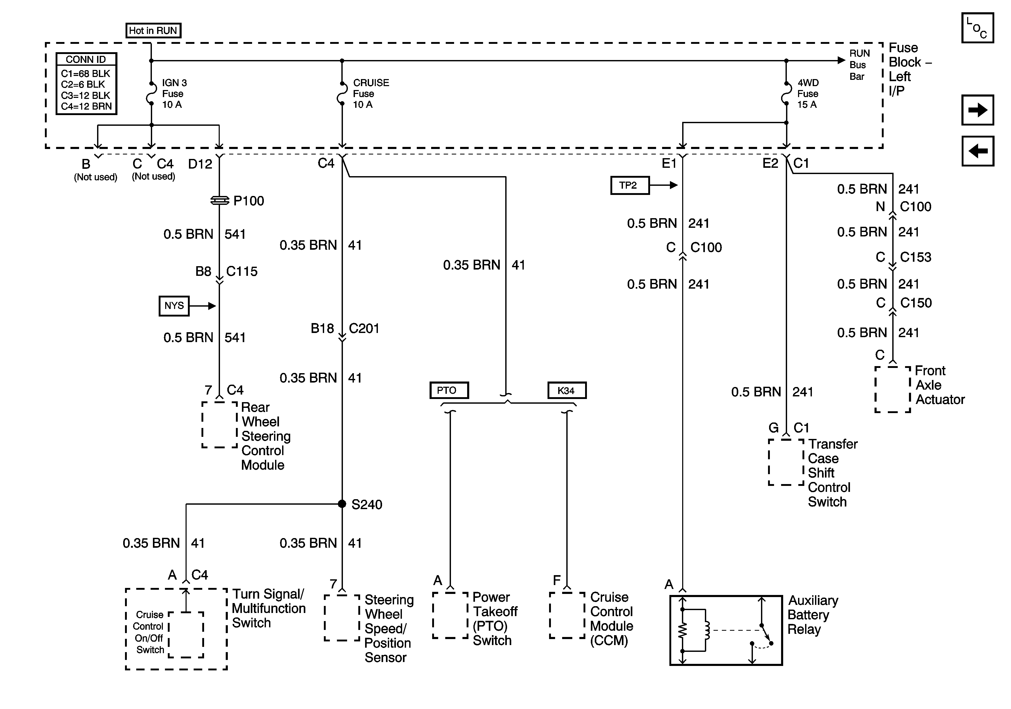
🢒 IGN 3, Cruise, and 4WD Fuses
IGN 3, Cruise, and 4WD Fuses
IGN 3, CRUISE, and 4WD Fuses
Master Electrical Component List
LO HDLP - LT, LO HDLP - RT, HI HDLP - LT, and HI HDLP - RT Fuses
BRAKE, HTR/AC, and HVAC 1 Fuses
Ignition Switch - START, RUN, and ACC/RUN/START Bus Bars