GM Service Manual Online
For 1990-2009 cars only
Makes
🢒
Chevrolet
🢒
2004
🢒
Chevy C Silverado - 2WD
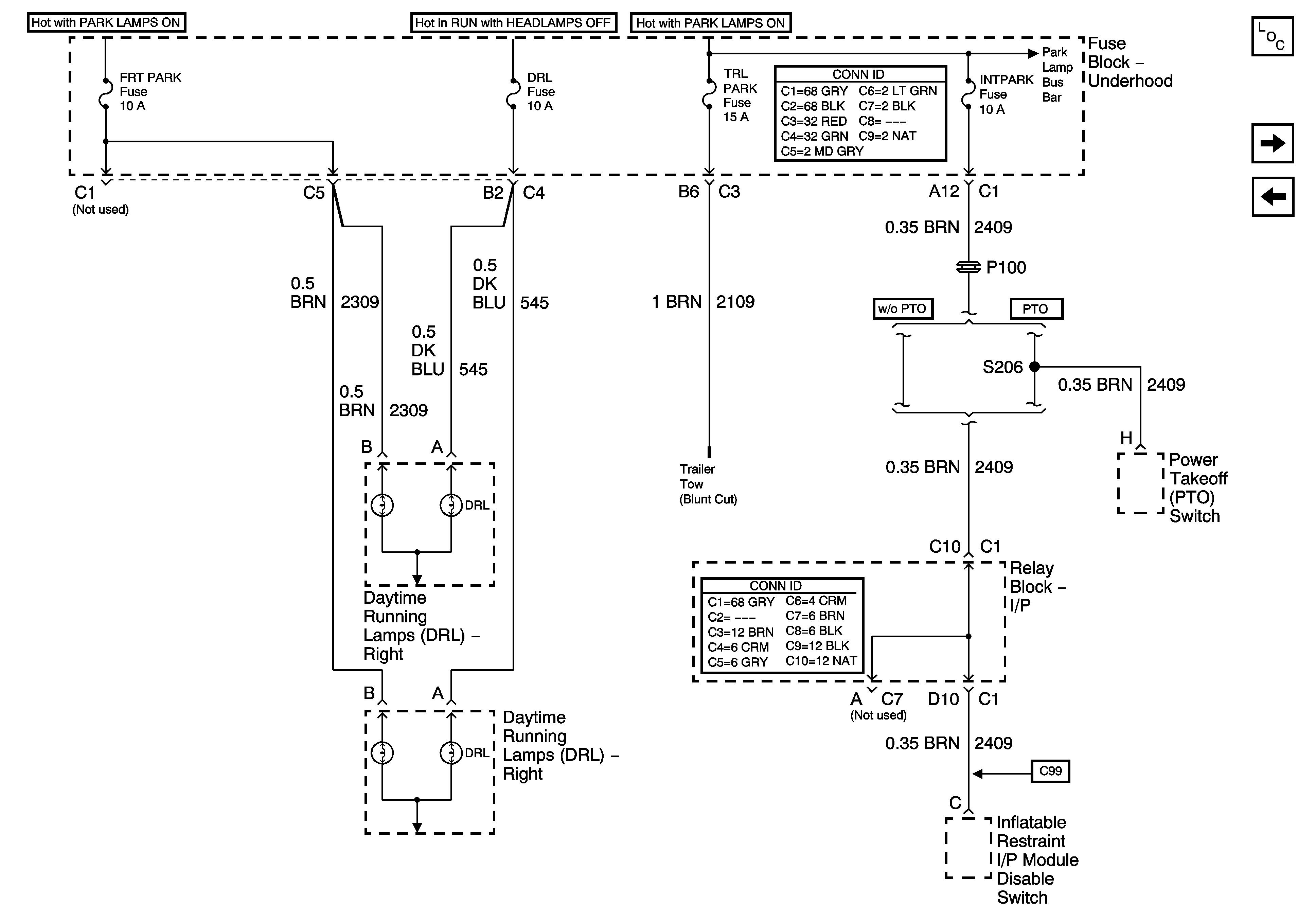
🢒 FRT PARK, DRL, TRL PARK, and INT PARK Fuses - Export
FRT PARK, DRL, TRL PARK, and INT PARK Fuses - Export
FRT PARK, DRL, TRL PARK, and INT PARK Fuses - Export
Master Electrical Component List
VEH CHMSL, VEH STOP, LT TRLR ST/TRN, and RT TRLR ST/TRN Fuses
FRT PARK, INT PARK, and TRL PARK Fuses - Domestic
B+ Bus Bar - 2 of 2