GM Service Manual Online
For 1990-2009 cars only
Makes
🢒
Chevrolet
🢒
2004
🢒
Chevy C Silverado - 2WD
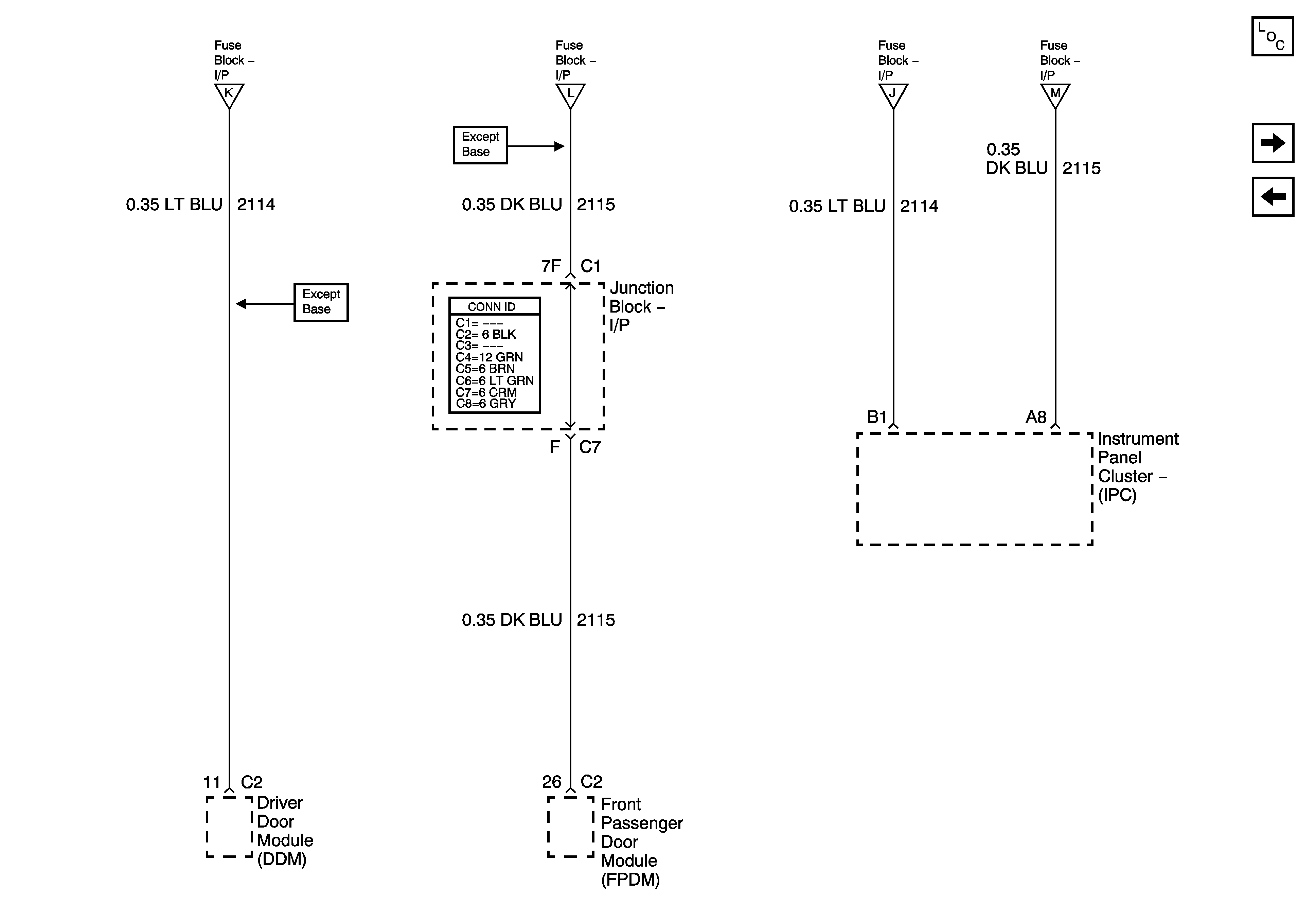
🢒 LT TRN and RT TRN Fuses - 2 of 2
LT TRN and RT TRN Fuses - 2 of 2
LT TRN and RT TURN Fuses - 2 of 2
Master Electrical Component List
Continuous Mode Bus Bar (HP2)
LT TRN and RT TRN Fuses - 1 of 2
LT TRN and RT TRN Fuses - 1 of 2
LT TRN and RT TRN Fuses - 1 of 2
LT TRN and RT TRN Fuses - 1 of 2
LT TRN and RT TRN Fuses - 1 of 2