GM Service Manual Online
For 1990-2009 cars only
Makes
🢒
Chevrolet
🢒
2004
🢒
Chevy C Silverado - 2WD
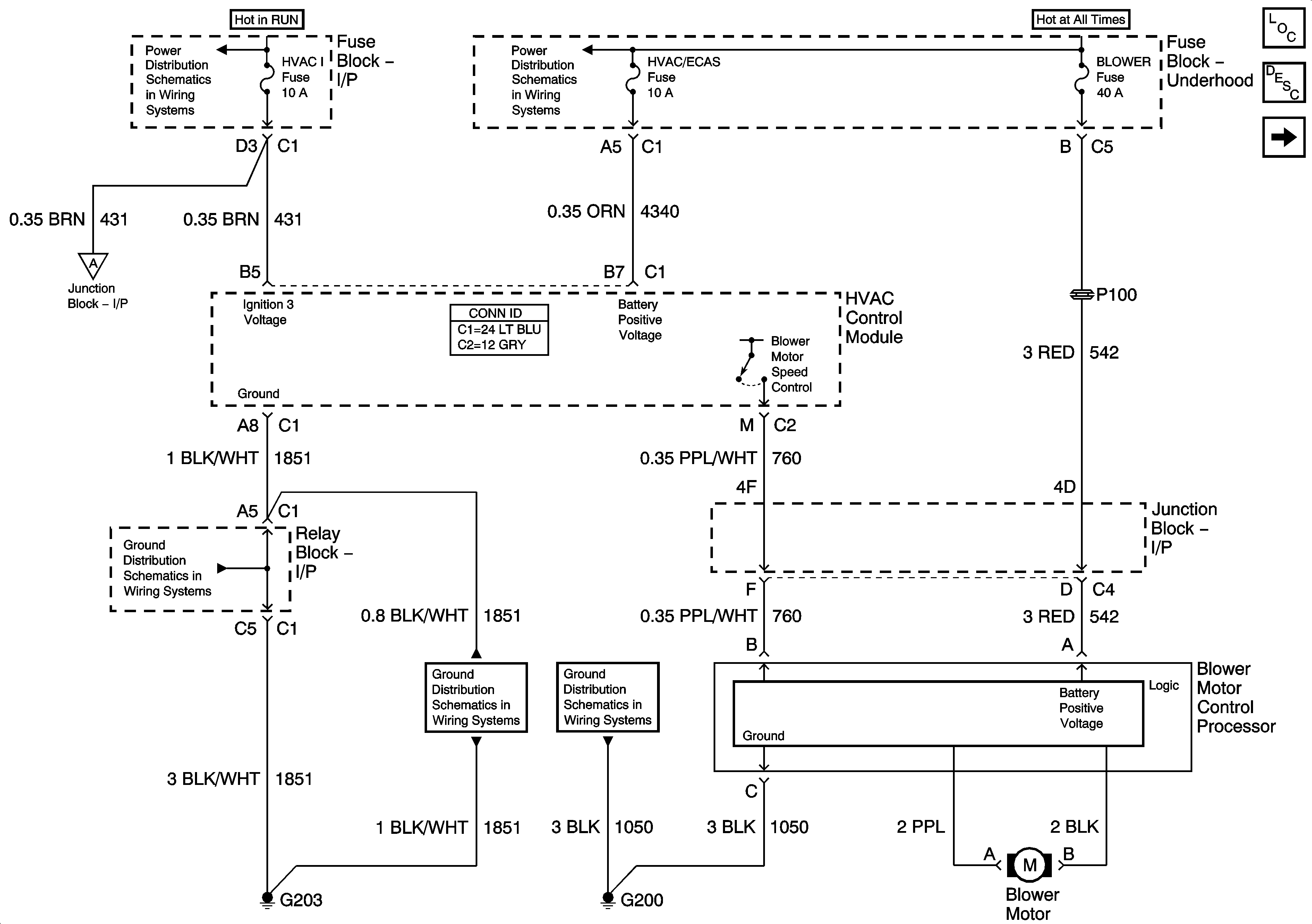
🢒 Power, Ground, Serial Data, and Front Blower Controls
Power, Ground, Serial Data, and Front Blower Controls
Power, Ground, Serial Data, and Front Blower Controls
Master Electrical Component List
Air Delivery Description and Operation
Sunload Sensor Inputs
BRAKE, HTR/AC, and HVAC 1 Fuses
HVAC/ECAS, RR HVAC, BLOWER, RR DEFOG, STOP LP, and TREC Fuses
Recirculation and Mode Door Controls
G203 - 1 of 3
G203 - 1 of 3
G200 - 1 of 3