GM Service Manual Online
For 1990-2009 cars only
Makes
🢒
Chevrolet
🢒
2004
🢒
Chevy C Silverado - 2WD
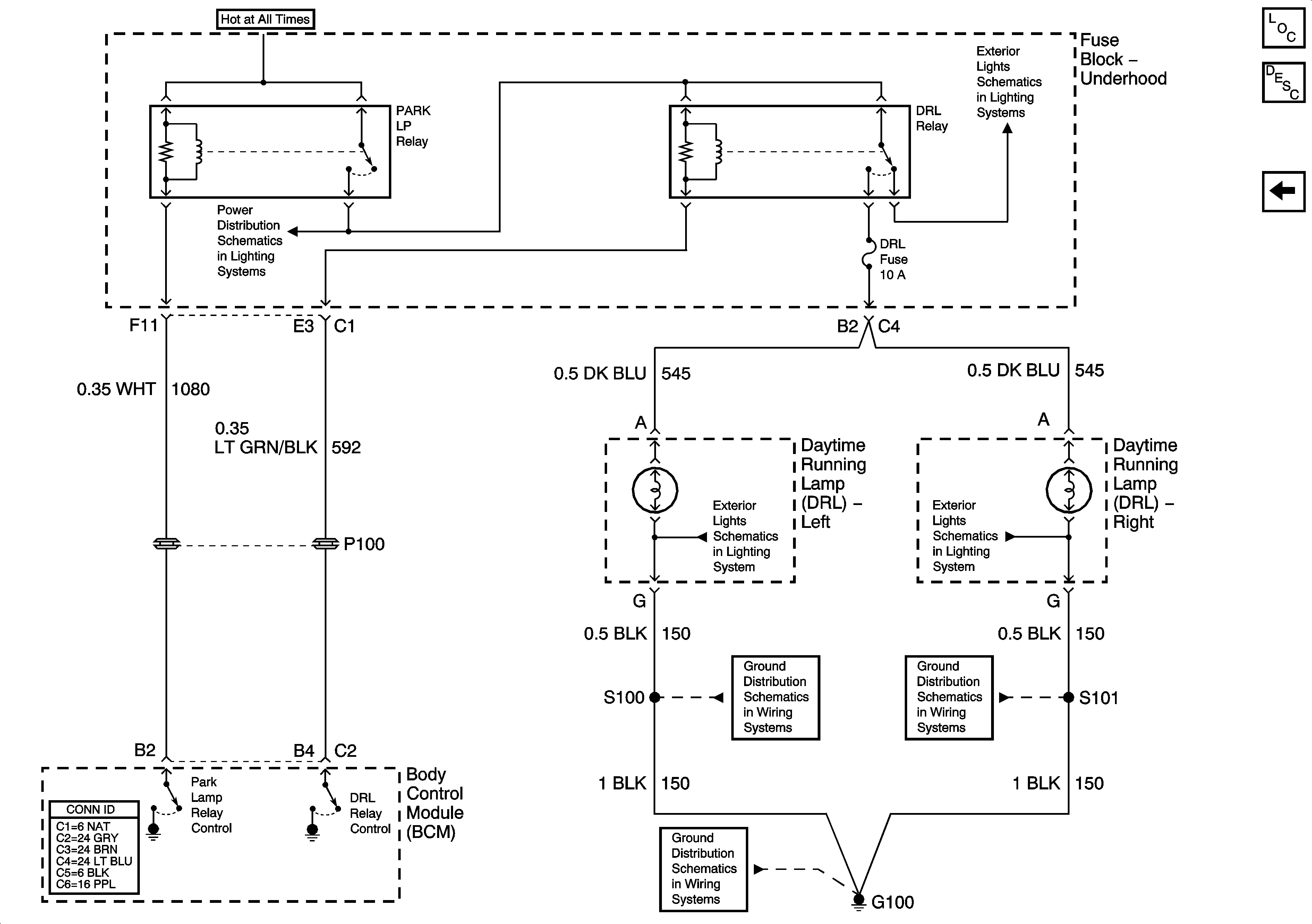
🢒 Daytime Running Lamps (DRL) - Export
Daytime Running Lamps (DRL) - Export
Daytime Running Lamps (DRL) - Export
Master Electrical Component List
Exterior Lighting Systems Description and Operation
Daytime Running Lamps (DRL) - Domestic
B+ Bus Bar - 2 of 2
Front Park Lamps - Export
Front Park Lamps - Export
Front Park Lamps - Export
S100 - Export
S100 - Export
G100 and G101