GM Service Manual Online
For 1990-2009 cars only
Makes
🢒
Chevrolet
🢒
2004
🢒
Chevy C Silverado - 2WD
🢒 Right Turn Signals - Domestic - GMC
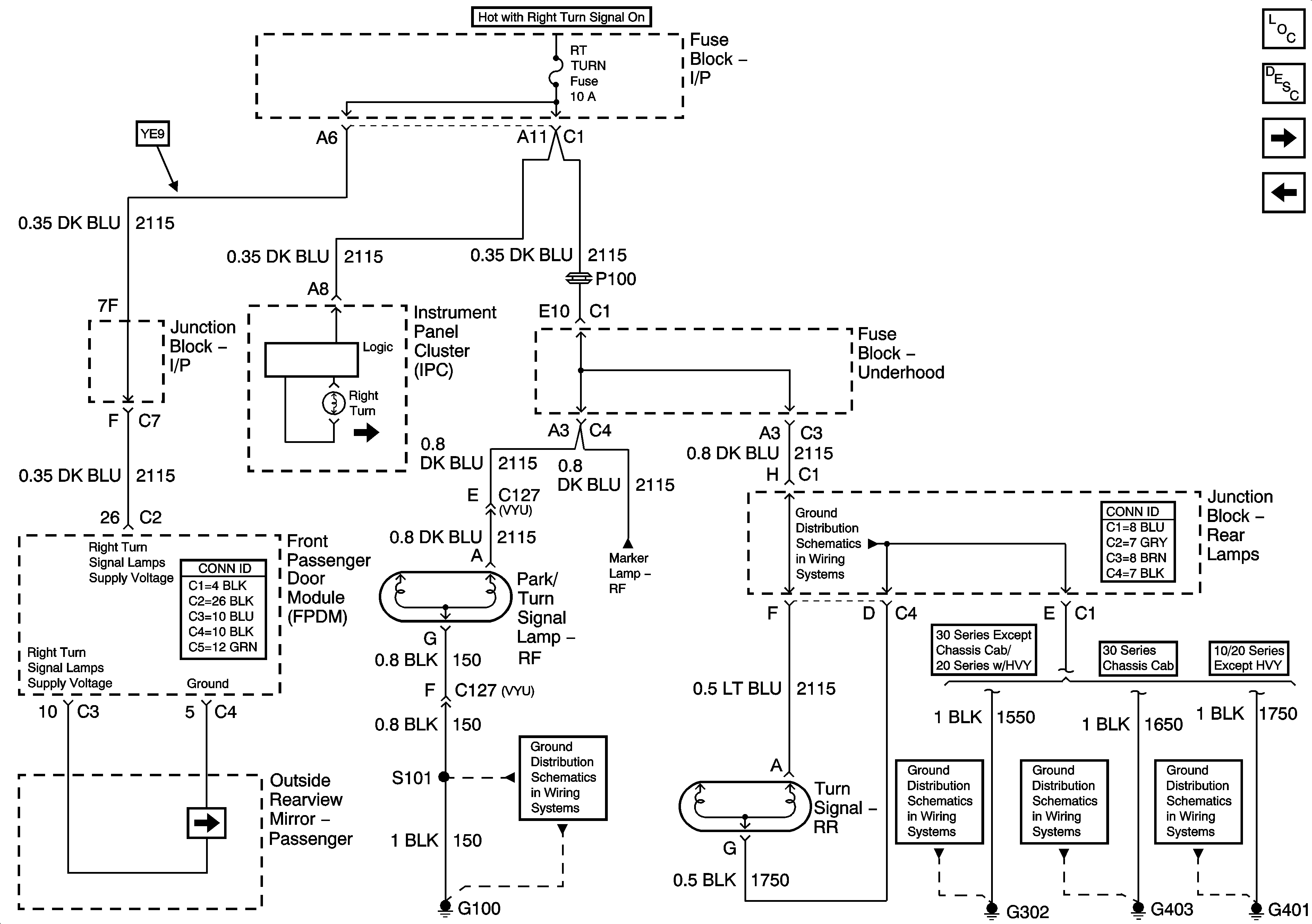
Right Turn Signals - Domestic - GMC
Right Turn Signals - Domestic - GMC
Master Electrical Component List
Exterior Lighting Systems Description and Operation
Right Turn Signals - Export - GMC
Left Turn Signals - Export - Chevrolet
G401 and G402
Left Rear Park Lamps - Chevrolet
G100 and G101
G302
G403
G401 and G402