GM Service Manual Online
For 1990-2009 cars only
Makes
🢒
Chevrolet
🢒
2004
🢒
Chevy C Silverado - 2WD
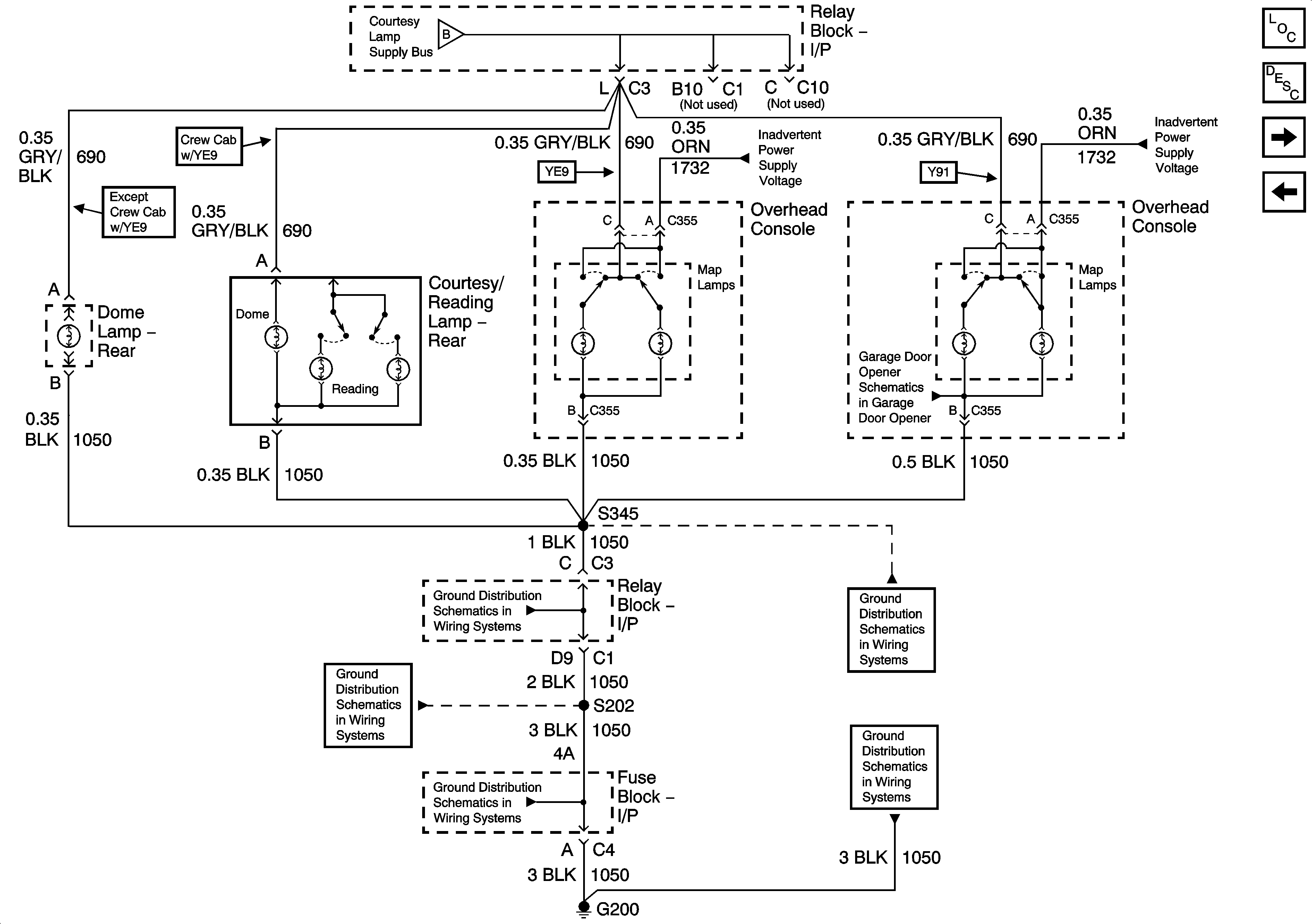
🢒 Courtesy Lamp Supply Voltage - 1 of 2
Courtesy Lamp Supply Voltage - 1 of 2
Courtesy Lamp Supply Voltage - 1 of 2
Master Electrical Component List
Interior Lighting Systems Description and Operation
Courtesy Lamp Supply Voltage - 2 of 2
Inadvertent Power Supply Voltage - 3 of 3
Inadvertent Power Supply Voltage - 1 of 3 and Courtesy Lamp Supply Voltage - 1 of 3
Inadvertent Power Supply voltage - 2 of 3
Inadvertent Power Supply voltage - 2 of 3
Garage Door Opener
G200 - 3 of 3
G200 - 1 of 3
G200 - 1 of 3
G200 - 3 of 3
G200 - 1 of 3