GM Service Manual Online
For 1990-2009 cars only
Makes
🢒
Chevrolet
🢒
2004
🢒
Chevy C Silverado - 2WD
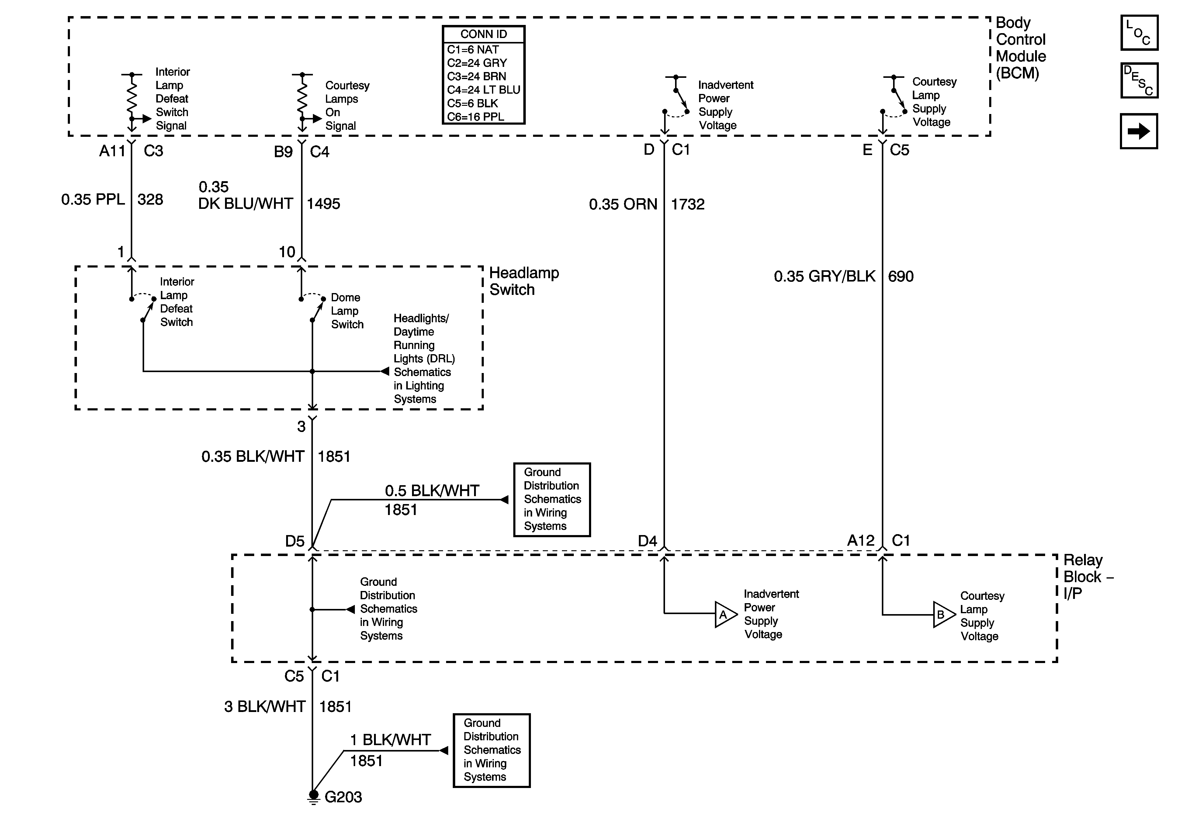
🢒 Inadvertent Power Supply Voltage - 1 of 3 and Courtesy Lamp Supply Voltage - 1 of 3
Inadvertent Power Supply Voltage - 1 of 3 and Courtesy Lamp Supply Voltage - 1 of 3
Inadvertent Power Supply Voltage - 1 of 3 and Courtesy Lamp Supply Voltage - 1 of 3
Master Electrical Component List
Interior Lighting Systems Description and Operation
Inadvertent Power Supply voltage - 2 of 3
Headlights/DRL Control
G203 - 2 of 3
G203 - 1 of 3
Inadvertent Power Supply voltage - 2 of 3
Courtesy Lamp Supply Voltage - 1 of 2
G203 - 2 of 3