GM Service Manual Online
For 1990-2009 cars only
Makes
🢒
Chevrolet
🢒
2004
🢒
Chevy C Silverado - 2WD
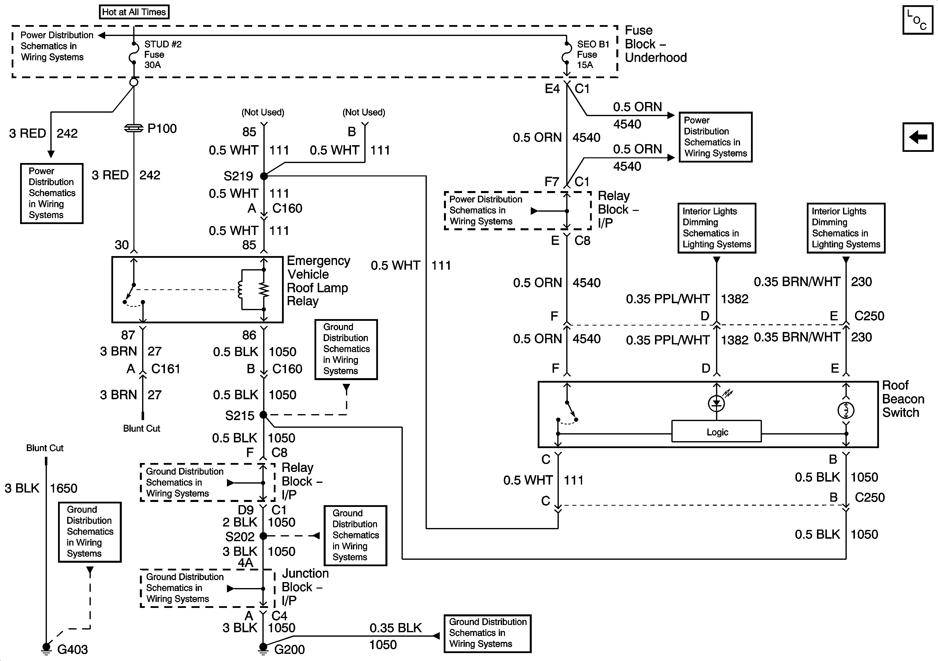
🢒 Emergency Vehicle Lighting (5Y0)
Emergency Vehicle Lighting (5Y0)
Emergency Vehicle Lighting (5Y0)
Master Electrical Component List
Wrecker Lighting (5X7)
B+ Bus Bar - 1 of 2
ABS, VSES/ECAS, STUD #1, STUD #2, and TBC BATT Fuses
RTD, IPC/DIC, SEO B1, SUNROOF, EAP, and RR WPR Fuses
RTD, IPC/DIC, SEO B1, SUNROOF, EAP, and RR WPR Fuses
LED Dimming Supply Voltage - 3 of 3
I/P Dimming Supply Voltage - 5 of 6
G200 - 3 of 3
G200 - 3 of 3
G200 - 1 of 3
G200 - 1 of 3
G403
G200 - 1 of 3