GM Service Manual Online
For 1990-2009 cars only
Makes
🢒
Chevrolet
🢒
2004
🢒
Chevy C Silverado - 2WD
🢒 Starting - 2 of 2 and Energy Storage
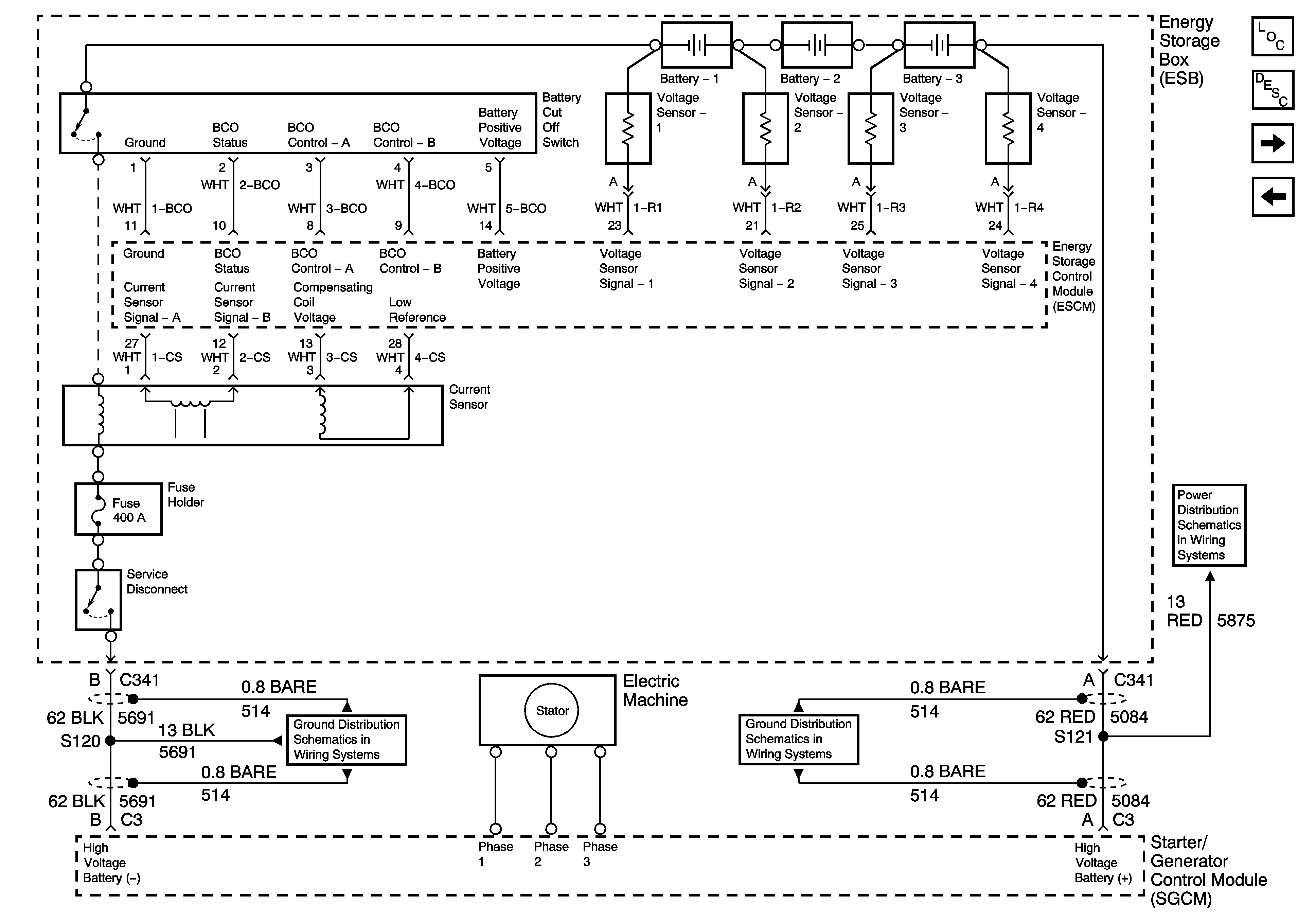
Starting - 2 of 2 and Energy Storage
Starting - 2 of 2 and Energy Storage
Master Electrical Component List
Generator Battery Carrier Description and Operation
Controlled/Monitored Subsystem References
Starting - 1 of 2
Battery Supply - 2 of 2
Hybrid Ground - 1 of 2
Hybrid Ground - 1 of 2