GM Service Manual Online
For 1990-2009 cars only
Makes
🢒
Chevrolet
🢒
2004
🢒
Chevy C Silverado - 2WD
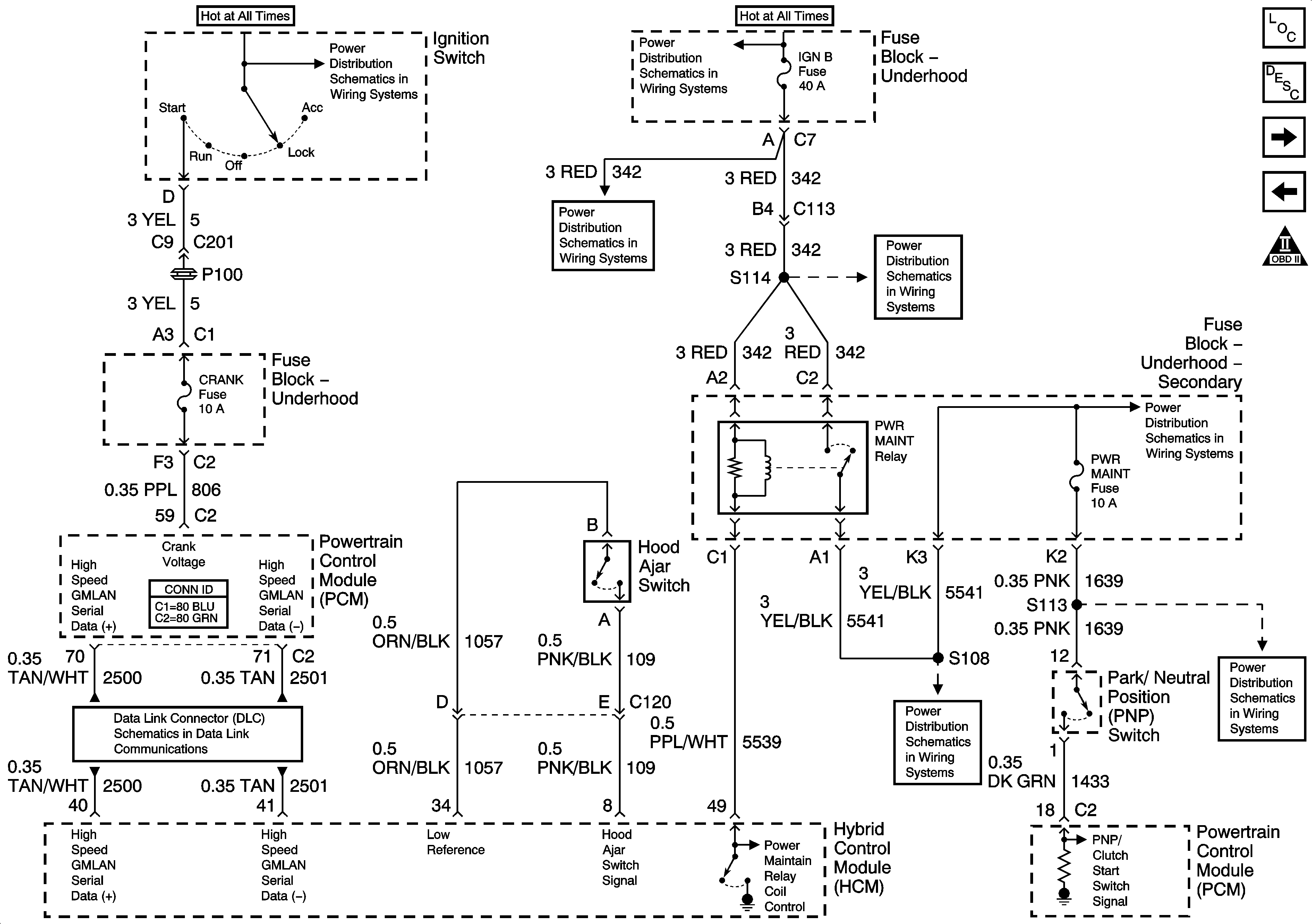
🢒 Starting - 1 of 2
Starting - 1 of 2
Starting - 1 of 2
Master Electrical Component List
Generator Battery Carrier Description and Operation
Starting - 2 of 2 and Energy Storage
Engine Speed Signal and Accessory Battery Charging
Ignition Switch - ACC/RUN and RUN/START Bus Bars
B+ Bus Bar - 1 of 2
Ignition Switch - ACC/RUN and RUN/START Bus Bars
Continuous Mode Bus Bar (HP2)
Continuous Mode Bus Bar (HP2)
High Speed GMLAN - Hybrid Only
Continuous Mode Bus Bar (HP2)
Continuous Mode Bus Bar (HP2)