GM Service Manual Online
For 1990-2009 cars only
Makes
🢒
Chevrolet
🢒
2005
🢒
Chevy C Silverado - 2WD
🢒 Selectable Ride
Selectable Ride
Master Electrical Component List
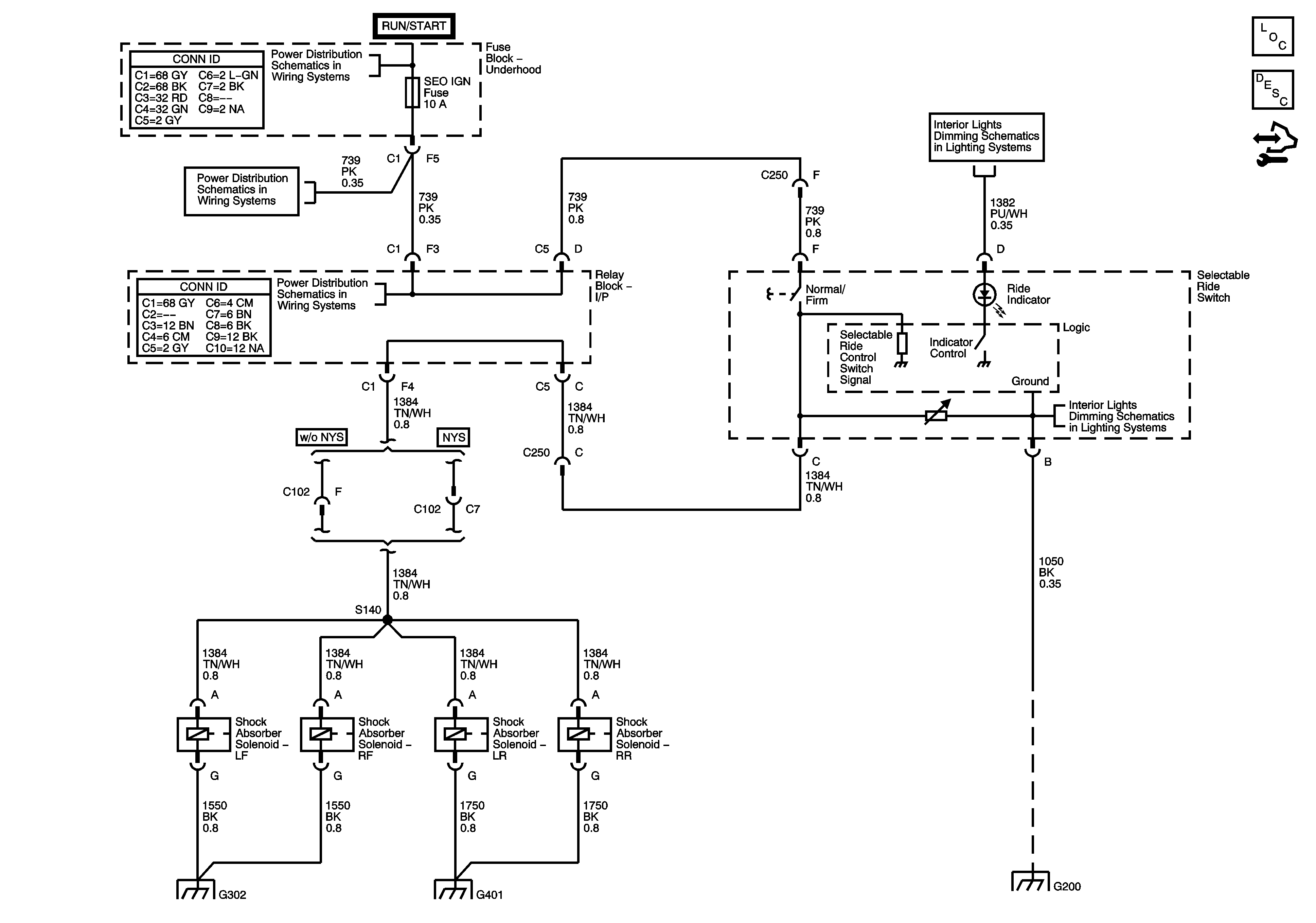
Selectable Ride Description and Operation
Control Module References
Ignition Switch - ACC/RUN and RUN/START Bus Bars and IGN B Fuse
B/U LP, BTSI, O2A, O2B, SEO IGN, TBC IGN 1, and TRL B/U Fuses
LED Dimming Supply - 2 of 2
B/U LP, BTSI, O2A, O2B, SEO IGN, TBC IGN 1, and TRL B/U Fuses
LED Dimming Supply - 2 of 2
G302
G401
G115 and G200 - 1 of 2