GM Service Manual Online
For 1990-2009 cars only
Makes
🢒
Chevrolet
🢒
2005
🢒
Chevy C Silverado - 2WD
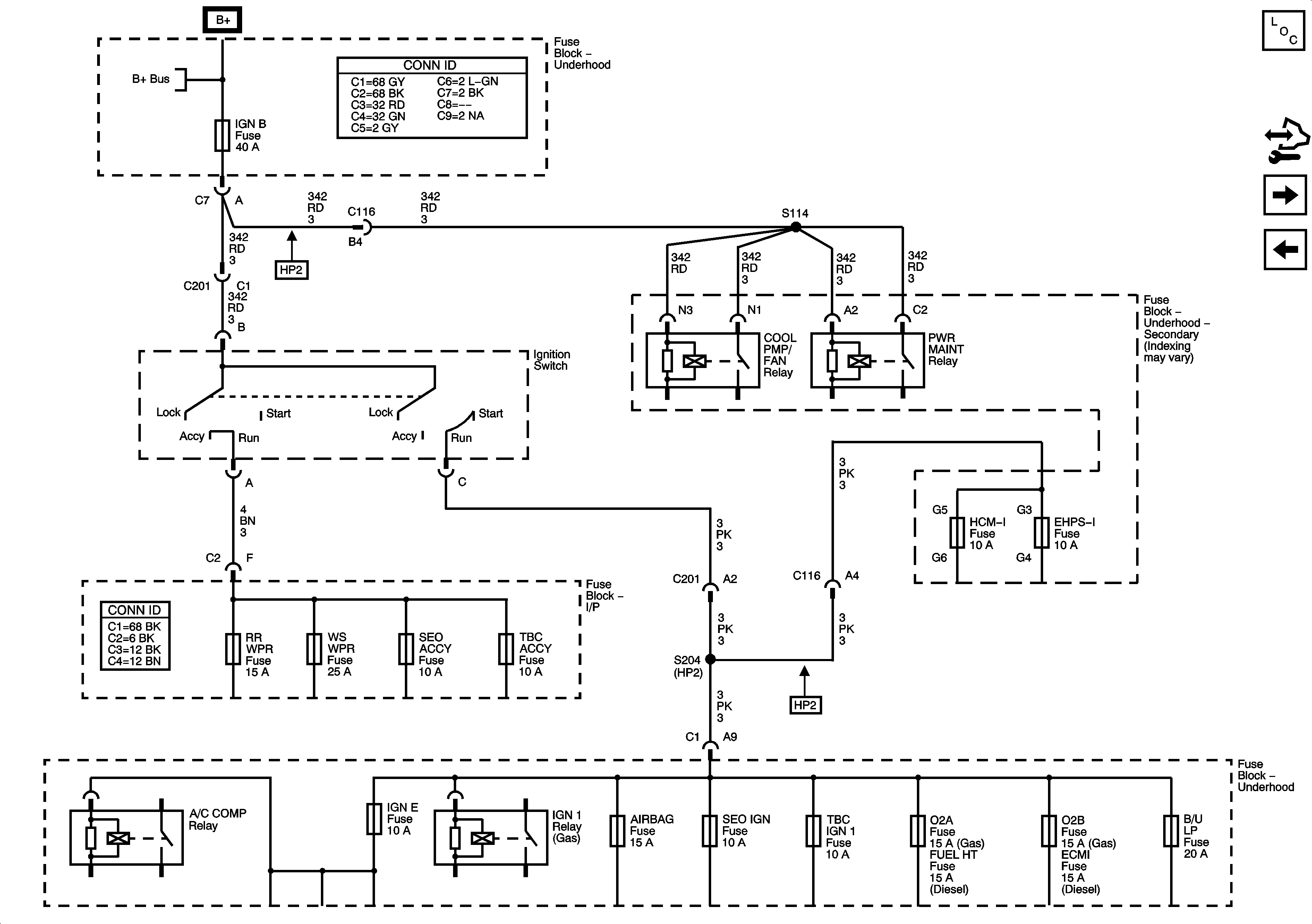
🢒 Ignition Switch - ACC/RUN and RUN/START Bus Bars and IGN B Fuse
Ignition Switch - ACC/RUN and RUN/START Bus Bars and IGN B Fuse
Ignition Switch - ACC/RUN and RUN/START Bus Bars, and IGN B Fuse
Master Electrical Component List
Control Module References
4WD, BRAKE, CRUISE, HTR/AC, HVAC 1, and IGN 3 Fuses
Ignition Switch - START, RUN, and ACC/RUN/START Bus Bars and IGN A and CRANK Fuses
B+ Bar Bus