GM Service Manual Online
For 1990-2009 cars only
Makes
🢒
Chevrolet
🢒
2005
🢒
Chevy C Silverado - 2WD
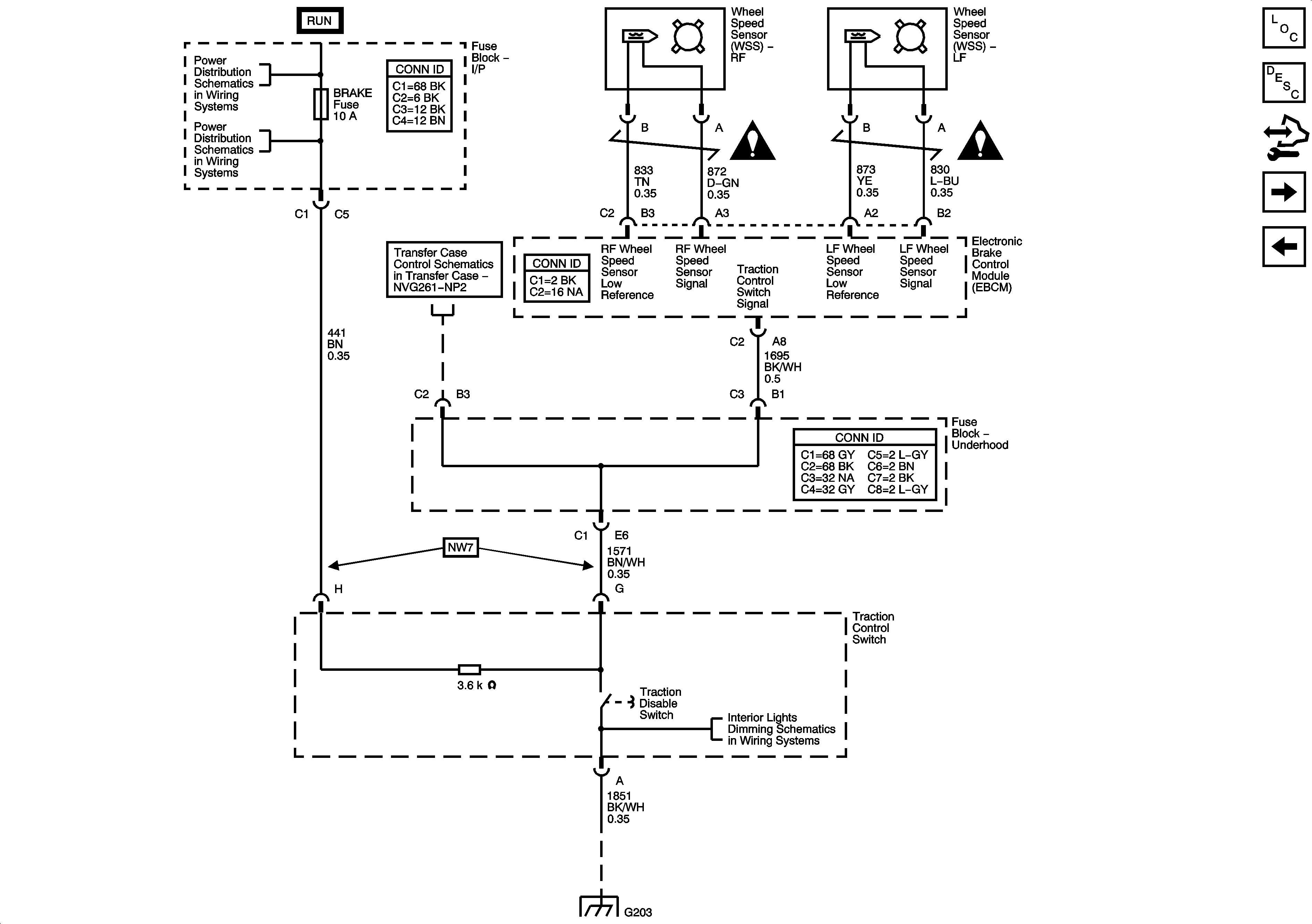
🢒 Traction Control Switch and Wheel Speed Sensor - 8600 GVW or Less w/Rear Disc Brakes
Traction Control Switch and Wheel Speed Sensor - 8600 GVW or Less w/Rear Disc Brakes
Traction Control Switch and Wheel Speed Sensor - 8600 GVW or Less w/Rear Disc Brakes
Master Electrical Component List
ABS Description and Operation 8600 GVW or Less W/Rear Disc Brakes
Control Module References
Power, Ground, Serial Data, Indicator and Stop Lamp Switch - Over 8600 GVW or Rear Drum Brakes
Power, Ground, Serial Data, Indicator and Stop Lamp Switch - 8600 GVW or Less w/Rear Disc Brakes
Ignition Switch - START, RUN, and ACC/RUN/START Bus Bars and IGN A and CRANK Fuses
4WD, BRAKE, CRUISE, HTR/AC, HVAC 1, and IGN 3 Fuses
Antilock Brake System Schematic Icons
Antilock Brake System Schematic Icons
Transfer Case Control Schematics NP2
I/P Lamps Dimming Control Supply - 1 of 3
G203 - 1 of 2