GM Service Manual Online
For 1990-2009 cars only
Makes
🢒
Chevrolet
🢒
2005
🢒
Chevy C Silverado - 2WD
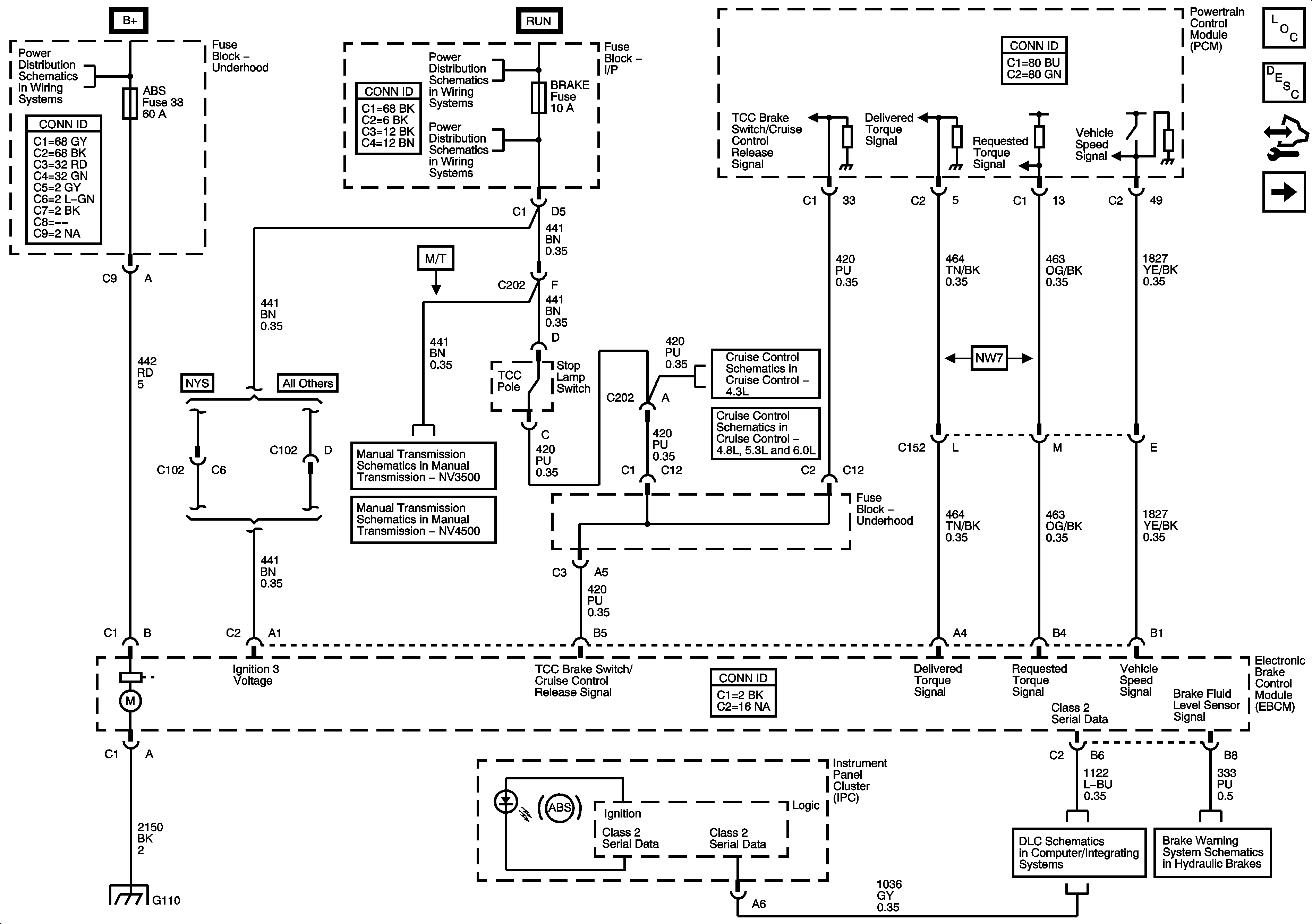
🢒 Power, Ground, Serial Data, Indicator and Stop Lamp Switch - 8600 GVW or Less w/Rear Disc Brakes
Power, Ground, Serial Data, Indicator and Stop Lamp Switch - 8600 GVW or Less w/Rear Disc Brakes
Power, Ground, Serial Data, Indicator and Stop Lamp Switch - 8600 GVW or Less w/Rear Disc Brakes
Master Electrical Component List
ABS Description and Operation 8600 GVW or Less W/Rear Disc Brakes
Control Module References
Traction Control Switch and Wheel Speed Sensor - 8600 GVW or Less w/Rear Disc Brakes
B+ Bar Bus
Ignition Switch - START, RUN, and ACC/RUN/START Bus Bars and IGN A and CRANK Fuses
4WD, BRAKE, CRUISE, HTR/AC, HVAC 1, and IGN 3 Fuses
Manual Transmission NV 3500
Manual Transmission NV 4500
4.3L
4.8L, 5.3L 6.0L, and 8.1L
G104, G106, G107 and G110
Power, Ground, DLC and Splice Pack SP 205
Power, Ground, Serial Data, Indicator Control, and Switches