GM Service Manual Online
For 1990-2009 cars only
Makes
🢒
Chevrolet
🢒
2005
🢒
Chevy C Silverado - 2WD
🢒 8.1L and Diesel
8.1L and Diesel
8.1L and Diesel
Master Electrical Component List
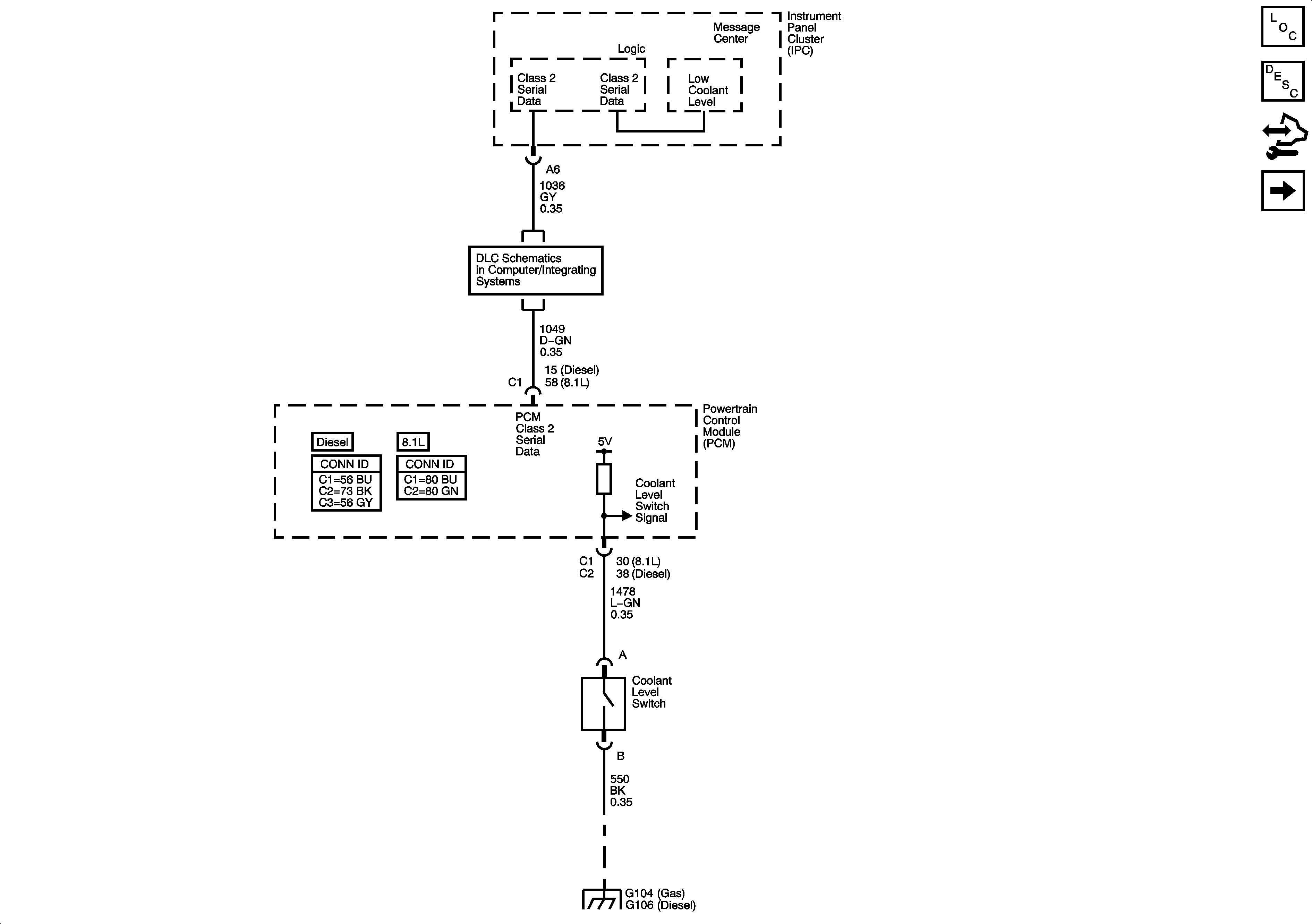
Cooling System Description and Operation
Control Module References
10 Series
Power, Ground, DLC and Splice Pack SP 205
G104, G106, G107 and G110