GM Service Manual Online
For 1990-2009 cars only
Makes
🢒
Chevrolet
🢒
2005
🢒
Chevy C Silverado - 2WD
🢒 10 Series
10 Series
10 Series
Master Electrical Component List
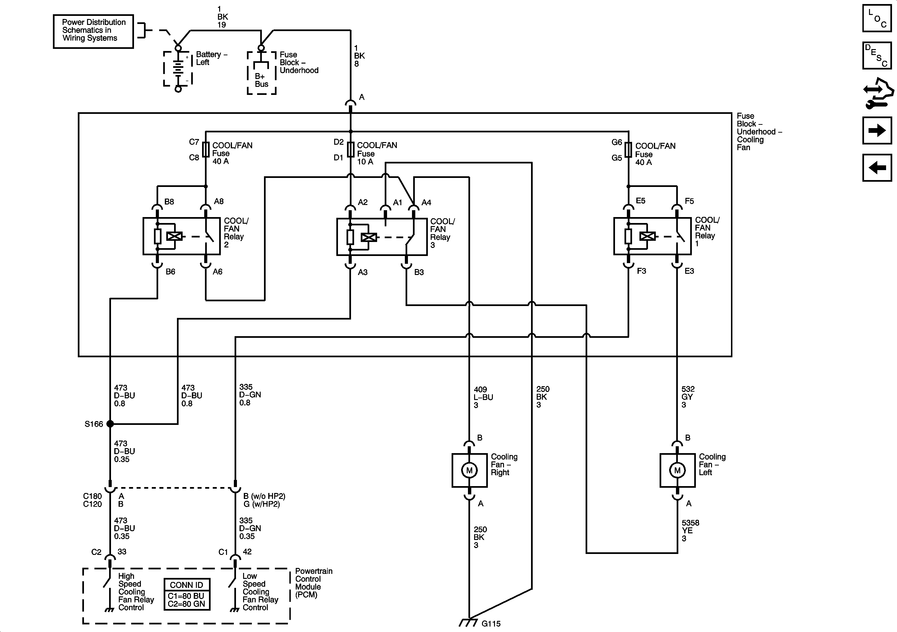
Cooling System Description and Operation
Control Module References
HP2
8.1L and Diesel
Battery Supply - 1 of 2