GM Service Manual Online
For 1990-2009 cars only
Makes
🢒
Chevrolet
🢒
2005
🢒
Chevy C Silverado - 2WD
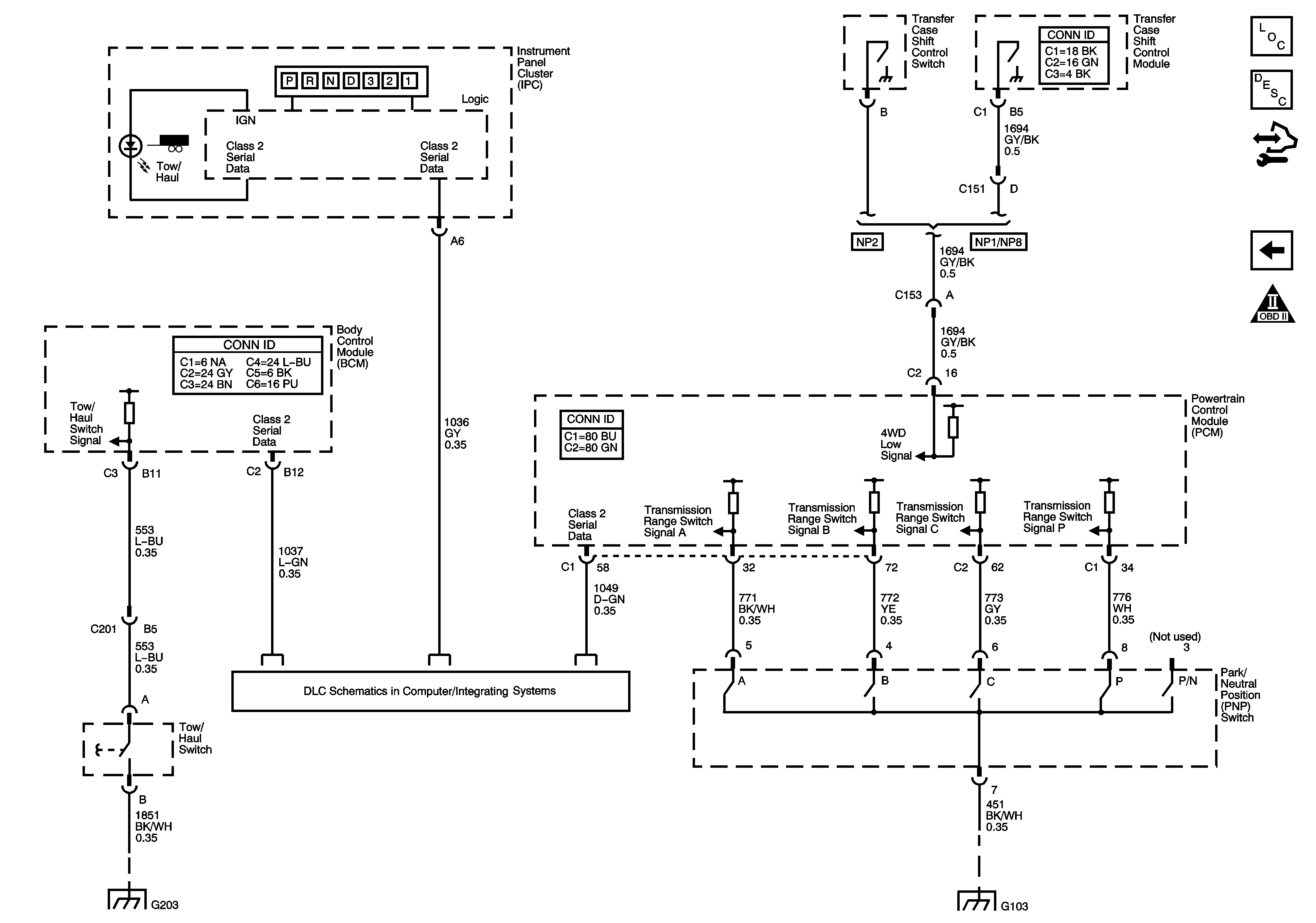
🢒 PNP Switch, 4WD Signal, Tow/Haul, Serial Data, and Indicator
PNP Switch, 4WD Signal, Tow/Haul, Serial Data, and Indicator
PNP Switch, 4WD Signal, Tow/Haul, Serial Data, and Indicator
Master Electrical Component List
Electronic Component Description
Control Module References
Pressure Controls, Temperature, and VSS
Automatic Transmission Schematic Icons
Power, Ground, DLC and Splice Pack SP 205
G203 - 2 of 2
G103 - Gas