GM Service Manual Online
For 1990-2009 cars only
Makes
🢒
Chevrolet
🢒
2005
🢒
Chevy C Silverado - 2WD
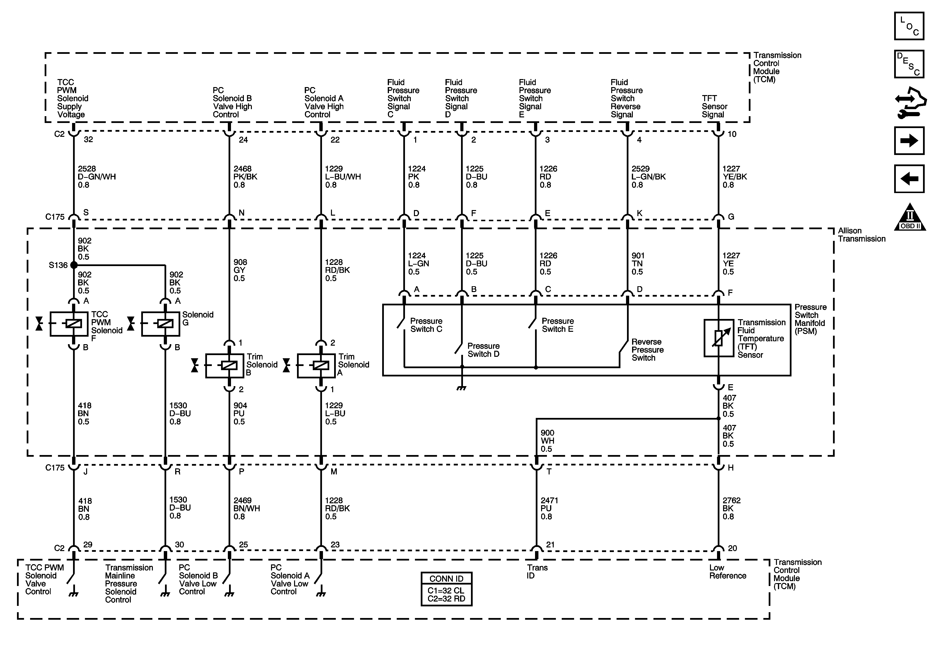
🢒 Fluid Pressure Switches, Trim Solenoids, TCC PWR Solenoid and TFT Sensor
Fluid Pressure Switches, Trim Solenoids, TCC PWR Solenoid and TFT Sensor
Fluid Pressure Switches, Trim Solenoids, TCC PWR Solenoid, and TFT Sensor
Master Electrical Component List
Electronic Component Description
Control Module References
Speed Sensors and PNP Switches
MIL Control, Serial Data, Torque Signal and Tow/Haul Switch
Automatic Transmission Schematic Icons