GM Service Manual Online
For 1990-2009 cars only
Makes
🢒
Chevrolet
🢒
2005
🢒
Chevy C Silverado - 2WD
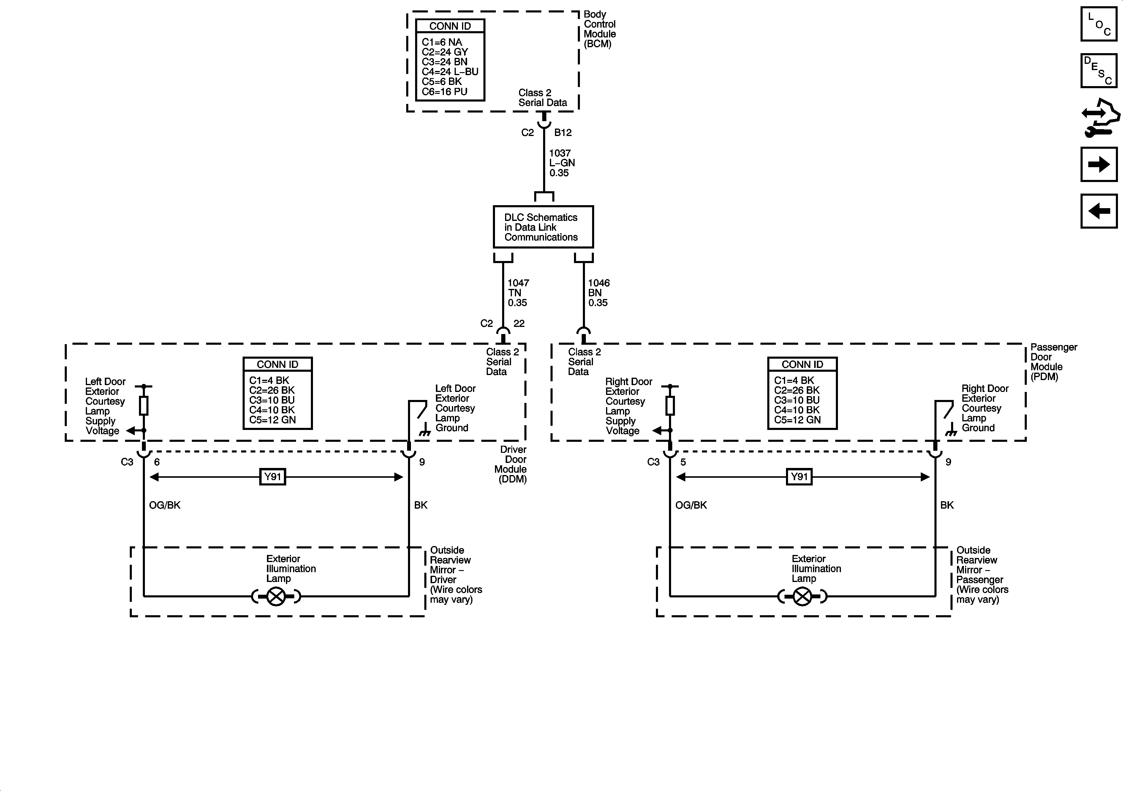
🢒 Exterior Illumination Lamp
Exterior Illumination Lamp
Exterior Illumination Lamp
Master Electrical Component List
Exterior Lighting Systems Description and Operation
Control Module References
Backup Lamps
Turn Signals - Chevrolet
Power, Ground, DLC and Splice Pack SP 205