GM Service Manual Online
For 1990-2009 cars only
Makes
🢒
Chevrolet
🢒
2005
🢒
Chevy C Silverado - 2WD
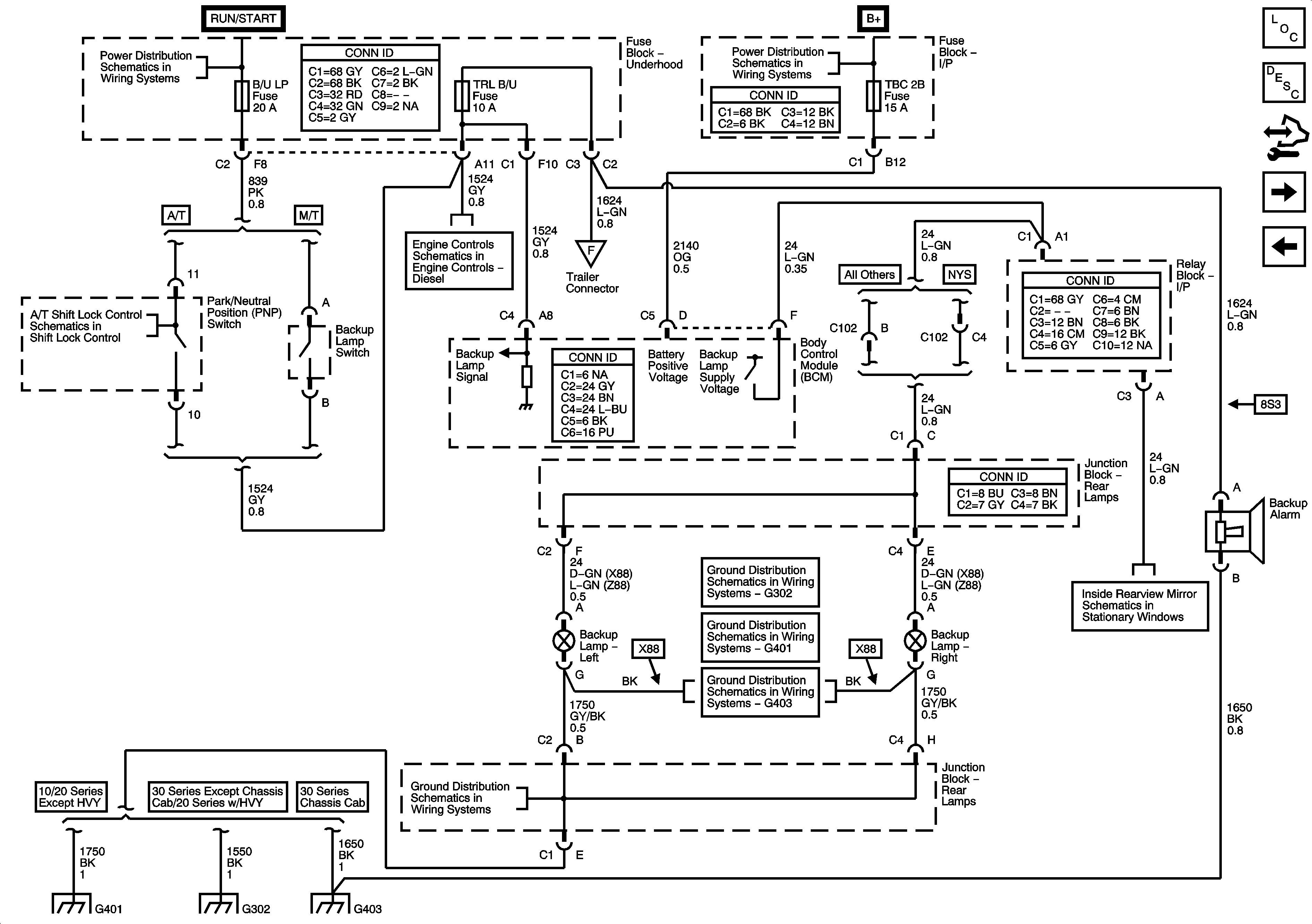
🢒 Backup Lamps
Backup Lamps
Backup Lamps
Master Electrical Component List
Exterior Lighting Systems Description and Operation
Control Module References
Trailer and Camper Wiring
Exterior Illumination Lamp
Ignition Switch - ACC/RUN and RUN/START Bus Bars and IGN B Fuse
BLWR, FLASH, HVAC/ECAS, LBEC 1, RR DEFOG, RR HVAC, TBC 2A, TBC 2B, and TBC 2C Fuses and LT DOOR Circuit Breaker
Shift Lock Control
Controlled/Monitored Subsystem References
Trailer and Camper Wiring
G302
G401
G403
Inside Rearview Mirror Schematics
G401
G302
G403
G302