GM Service Manual Online
For 1990-2009 cars only
Makes
🢒
Chevrolet
🢒
2005
🢒
Chevy C Silverado - 2WD
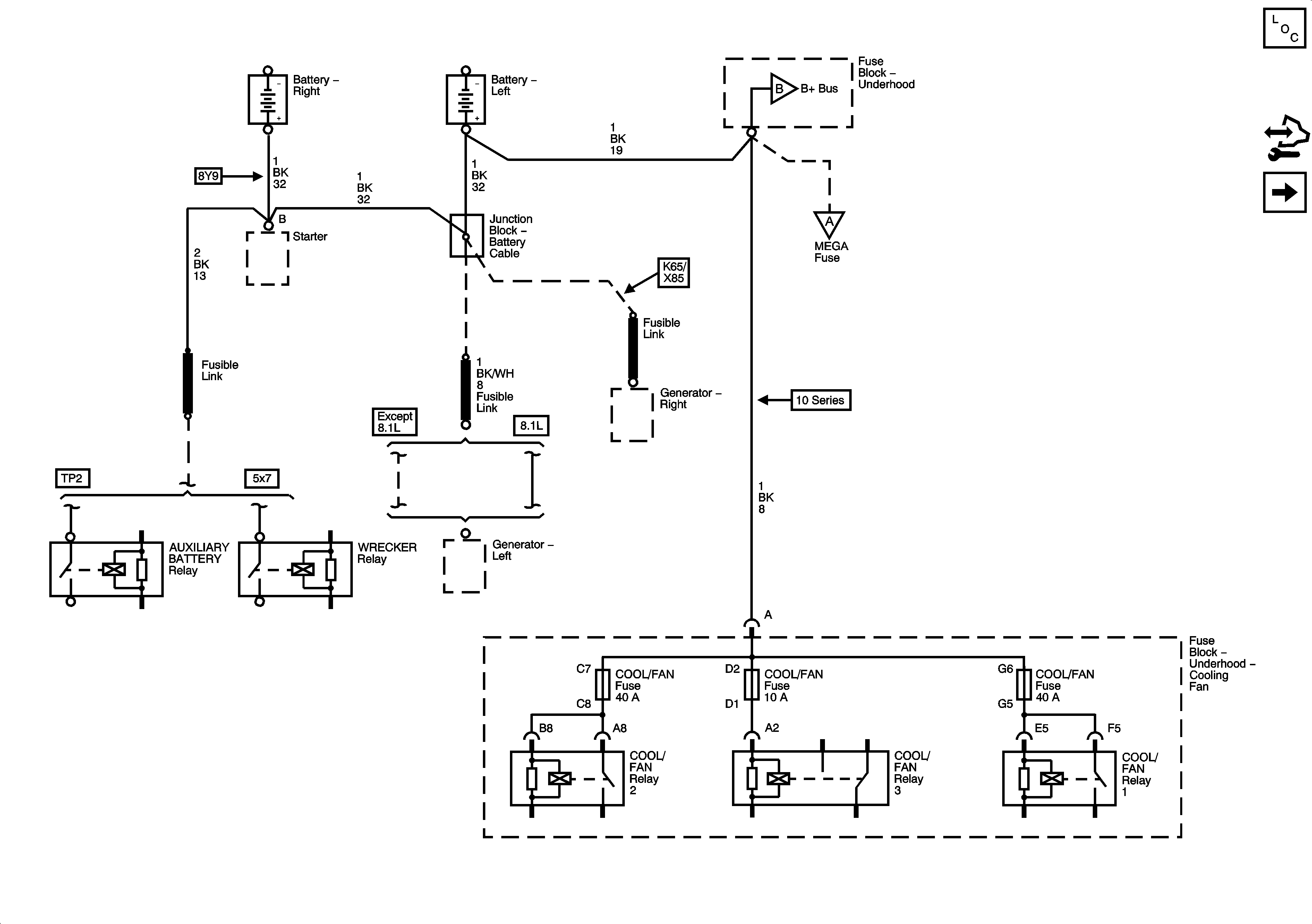
🢒 Battery Supply - 1 of 2
Battery Supply - 1 of 2
Battery Supply - 1 of 2
Master Electrical Component List
Control Module References
Battery Supply - 2 of 2
B+ Bar Bus
Battery Supply - 2 of 2