GM Service Manual Online
For 1990-2009 cars only
Makes
🢒
Chevrolet
🢒
2005
🢒
Chevy C Silverado - 2WD
🢒 B+ Bar Bus
B+ Bar Bus
B+ Bus Bar
Master Electrical Component List
Control Module References
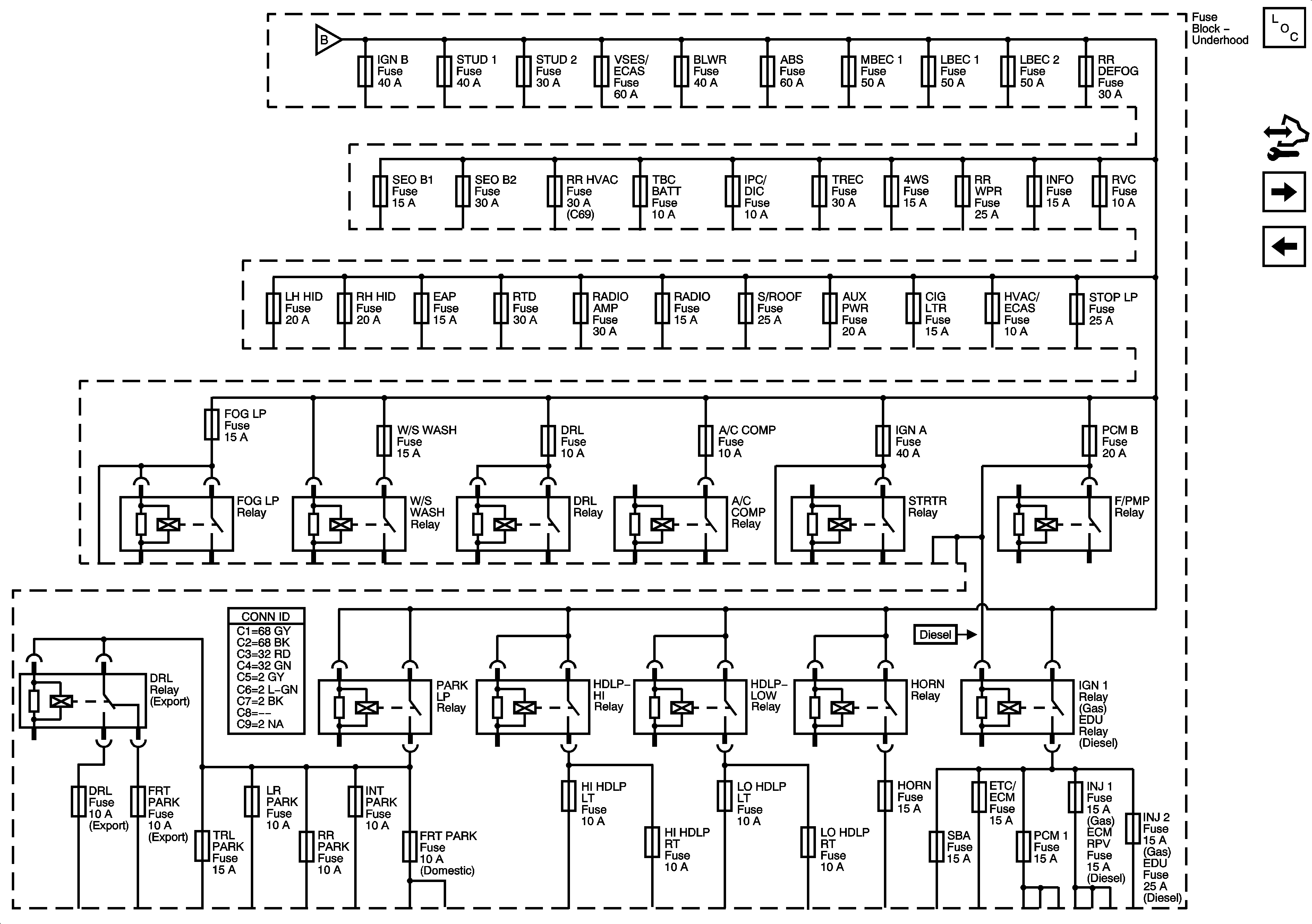
ABS, AUX HTR PMP, ESCM, HCM-B, MBEC 1, RTD, STUD1, STUD2, TRANS PUMP, VSES/ECAS Fuses and RT DOORS and SEAT Circuit Breakers
Battery Supply - 2 of 2
Battery Supply - 1 of 2