GM Service Manual Online
For 1990-2009 cars only
Makes
🢒
Chevrolet
🢒
2005
🢒
Chevy C Silverado - 2WD
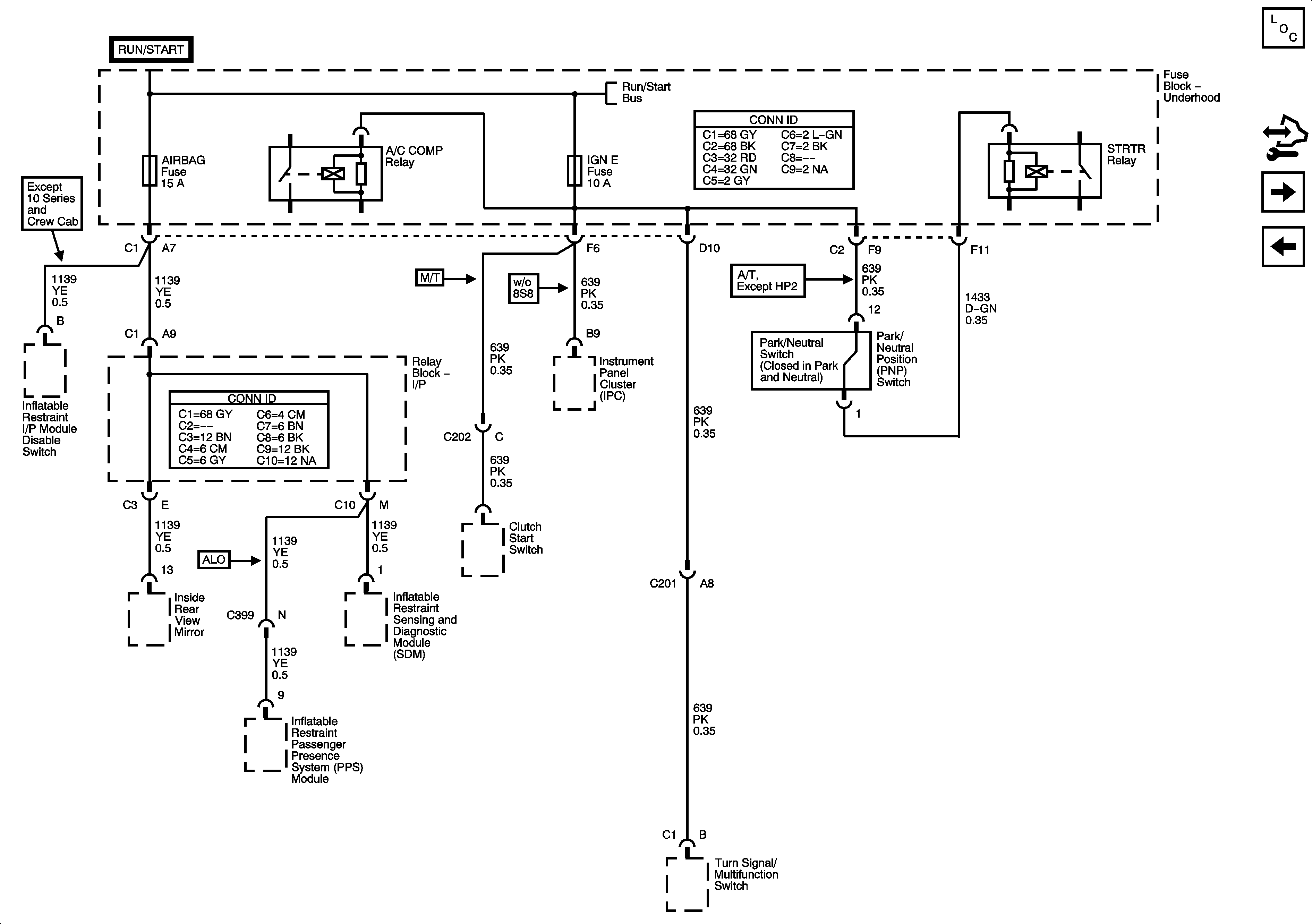
🢒 IGN E and AIRBAG Fuses
IGN E and AIRBAG Fuses
IGN E and AIRBAG Fuses
Master Electrical Component List
Control Module References
ECM-I, EHPS-I, FUEL HT, and HCM-I Fuses
B/U LP, BTSI, O2A, O2B, SEO IGN, TBC IGN 1, and TRL B/U Fuses
Ignition Switch - ACC/RUN and RUN/START Bus Bars and IGN B Fuse