GM Service Manual Online
For 1990-2009 cars only
Makes
🢒
Chevrolet
🢒
2005
🢒
Chevy C Silverado - 2WD
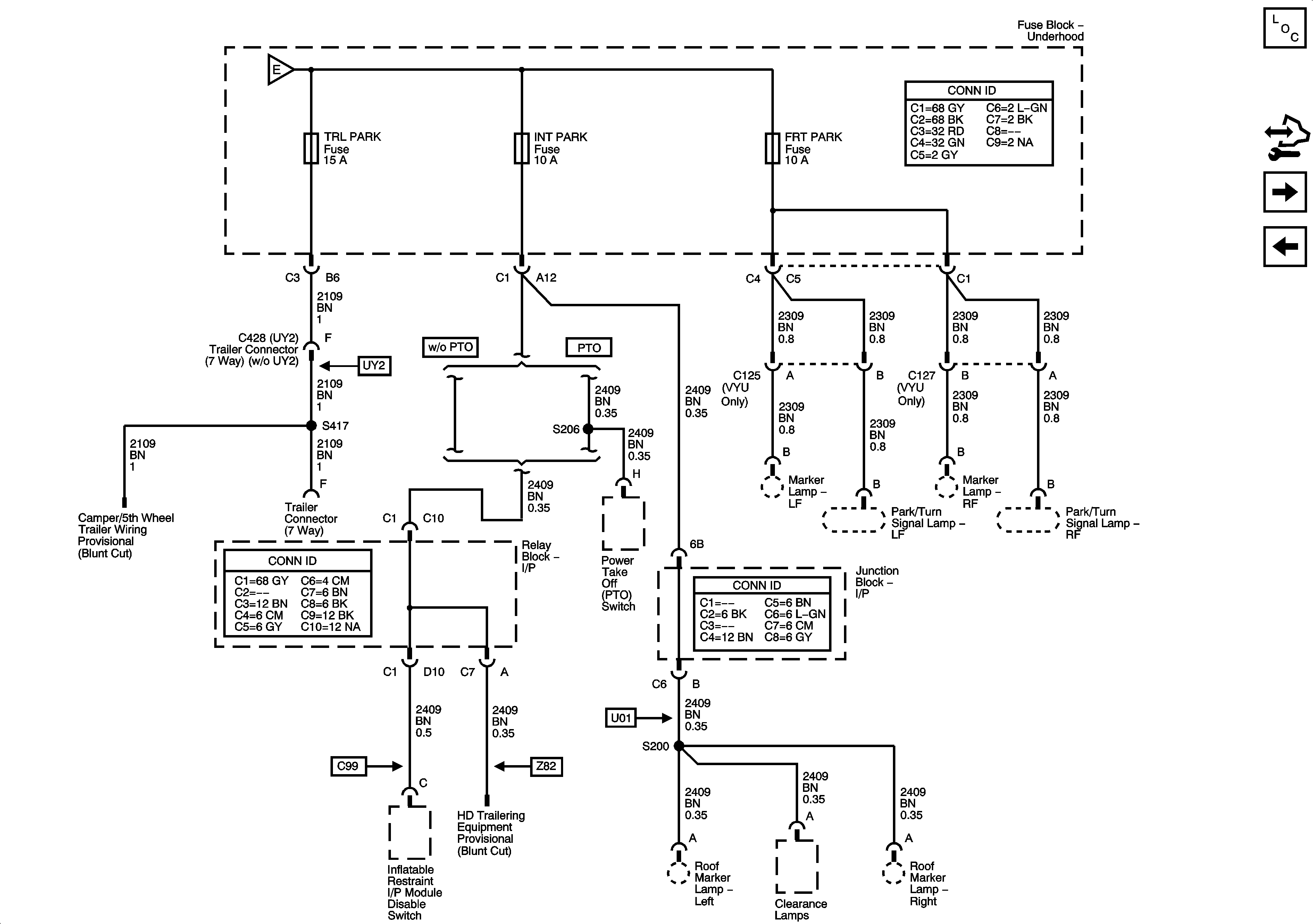
🢒 FRT PARK, INT PARK, and TRL PARK Fuses
FRT PARK, INT PARK, and TRL PARK Fuses
FRT PARK, INT PARK, and TRL PARK Fuses
Master Electrical Component List
Control Module References
HI HDLP LT, HI HDLP RT, HORN, LO HDLP LT, and LO HDLP RT Fuses
LR PARK and RR PARK Fuses
LR PARK and RR PARK Fuses