GM Service Manual Online
For 1990-2009 cars only
Makes
🢒
Chevrolet
🢒
2005
🢒
Chevy C Silverado - 2WD
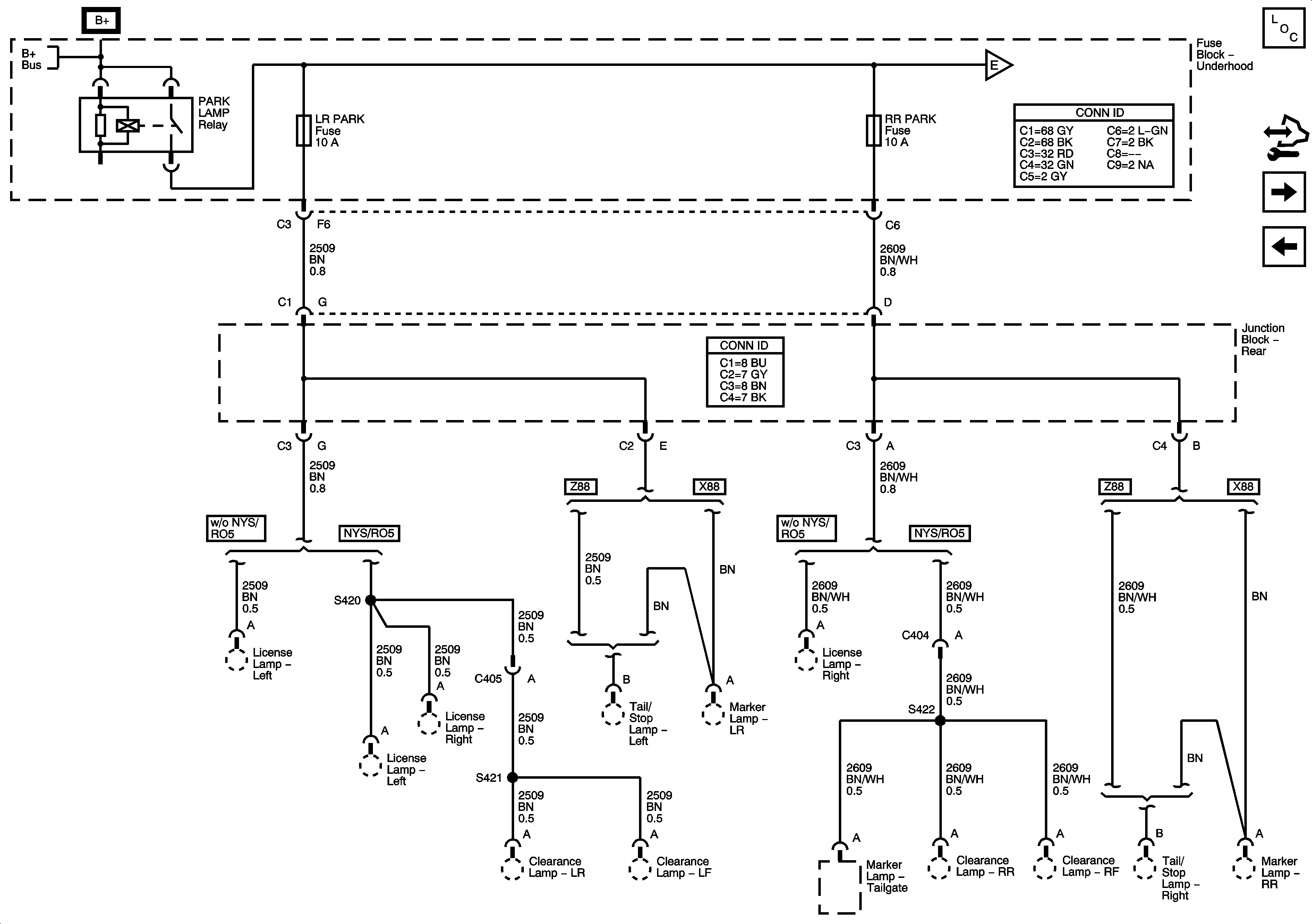
🢒 LR PARK and RR PARK Fuses
LR PARK and RR PARK Fuses
LR PARK and RR PARK Fuses
Master Electrical Component List
Control Module References
FRT PARK, INT PARK, and TRL PARK Fuses
INJ 1 and INJ 2 Fuses - 8.1L
B+ Bar Bus
FRT PARK, INT PARK, and TRL PARK Fuses