GM Service Manual Online
For 1990-2009 cars only
Makes
🢒
Chevrolet
🢒
2005
🢒
Chevy C Silverado - 2WD
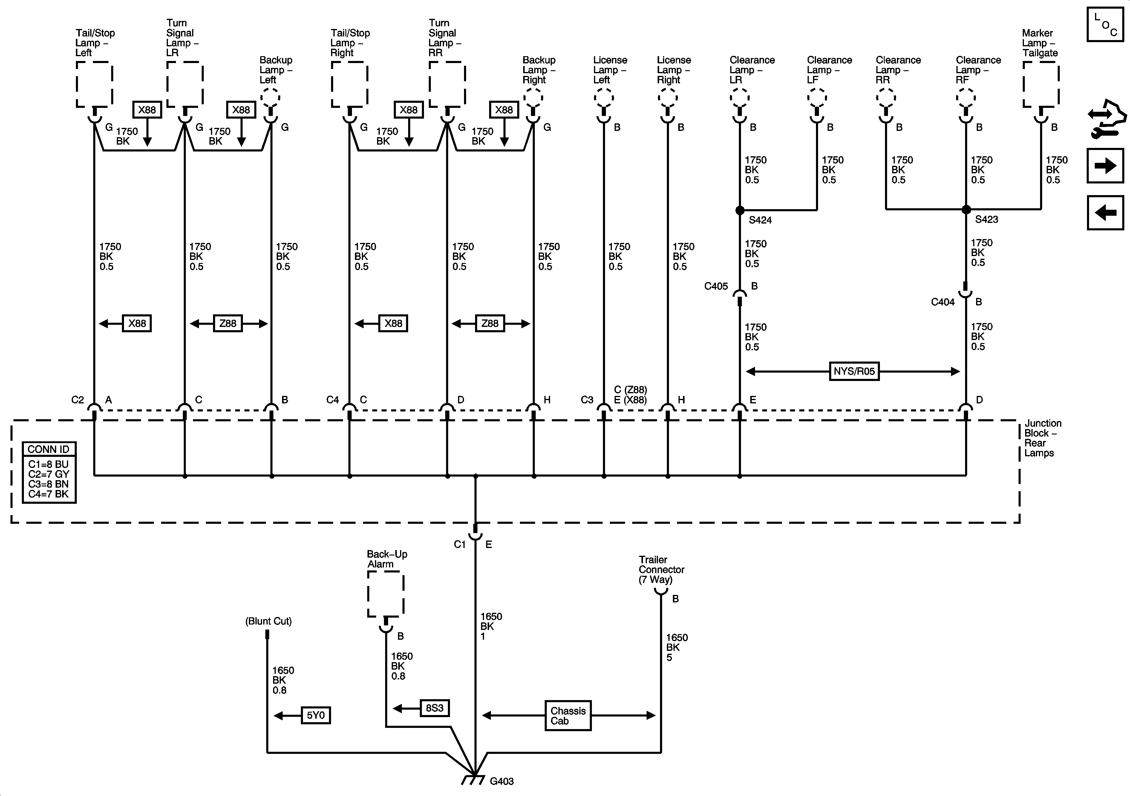
🢒 G403
G403
G403
Master Electrical Component List
Control Module References
G120, G121, G122, G310, G311 and G405 (HP2)
G401