GM Service Manual Online
For 1990-2009 cars only
Makes
🢒
Chevrolet
🢒
2005
🢒
Chevy C Silverado - 2WD
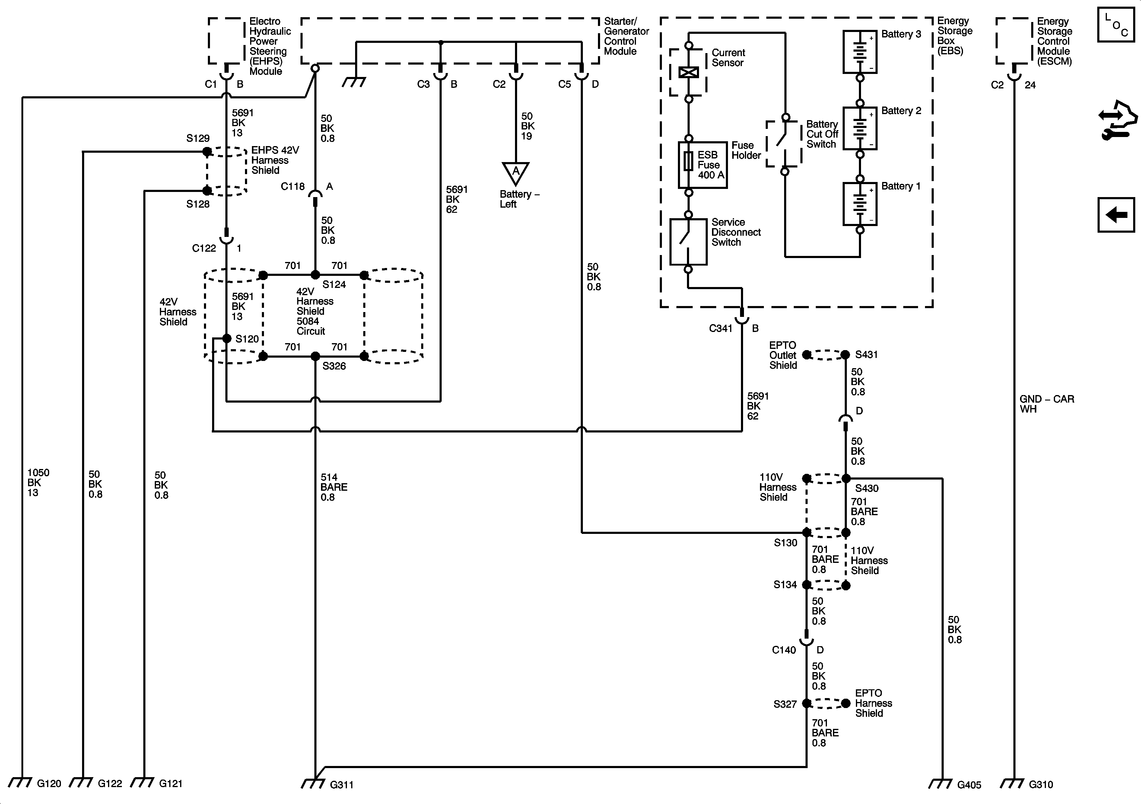
🢒 G120, G121, G122, G310, G311 and G405 (HP2)
G120, G121, G122, G310, G311 and G405 (HP2)
G120, G121, G122, G310, G311 and G405 (HP2)
Master Electrical Component List
Control Module References
G403
G100, G101, and G102