GM Service Manual Online
For 1990-2009 cars only
Makes
🢒
Chevrolet
🢒
2005
🢒
Chevy C Silverado - 2WD
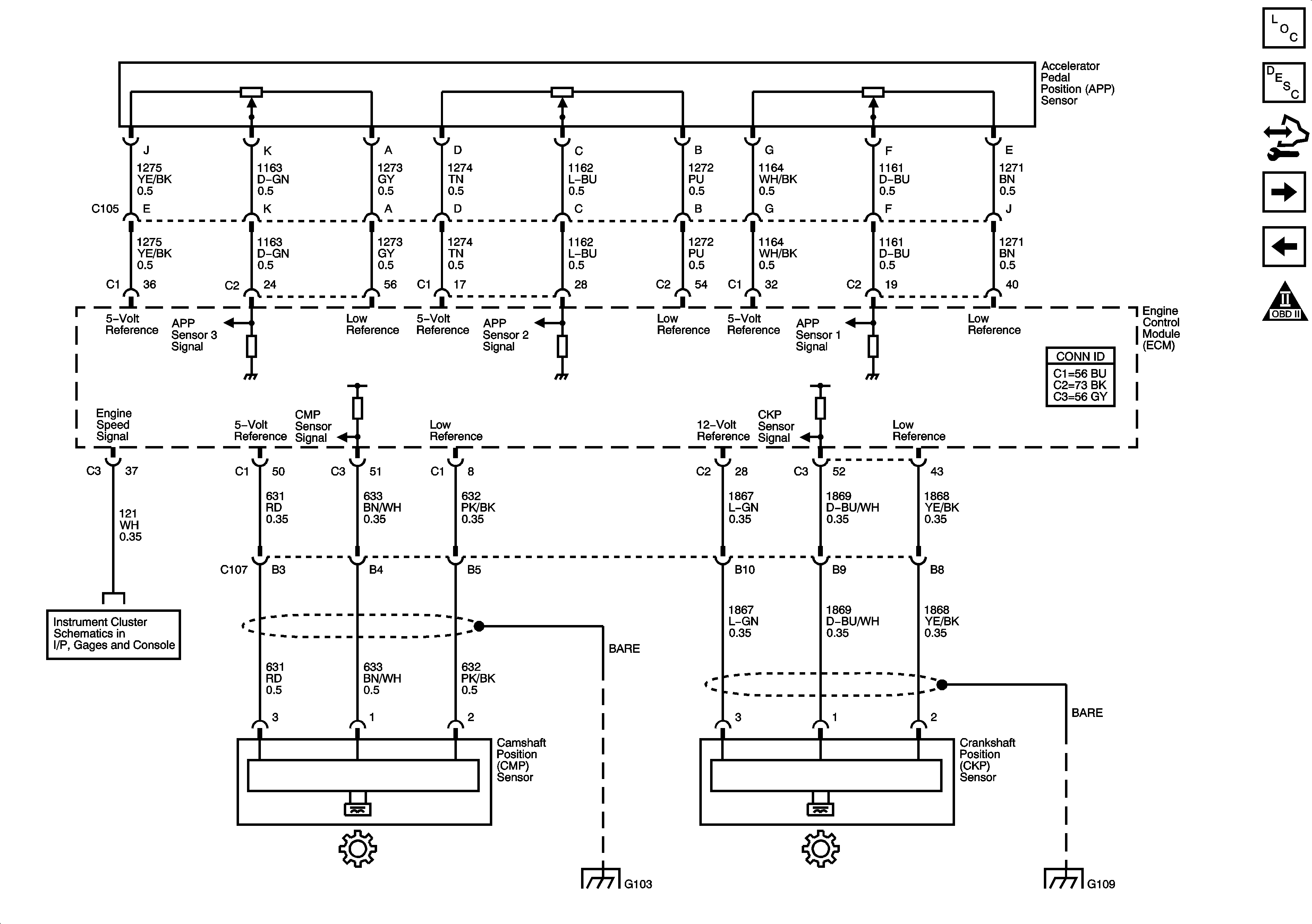
🢒 Engine Data Sensors - Pedal Position and Injection Timing
Engine Data Sensors - Pedal Position and Injection Timing
Engine Data Sensors - Pedal Position and Injection Timing
Master Electrical Component List
Accelerator Pedal Position System Description
Control Module References
Engine Data Sensors - Glow Plug Controls
Engine Data Sensors - EGR and Turbocharger Controls
Engine Controls Schematic Icons
Gages, Vehicle Speed Signal, Engine Oil Pressure, and Fuel Level Sensors
G102, G103, G108 and G109 - Diesel
G102, G103, G108 and G109 - Diesel