GM Service Manual Online
For 1990-2009 cars only
Makes
🢒
Chevrolet
🢒
2005
🢒
Chevy C Silverado - 2WD
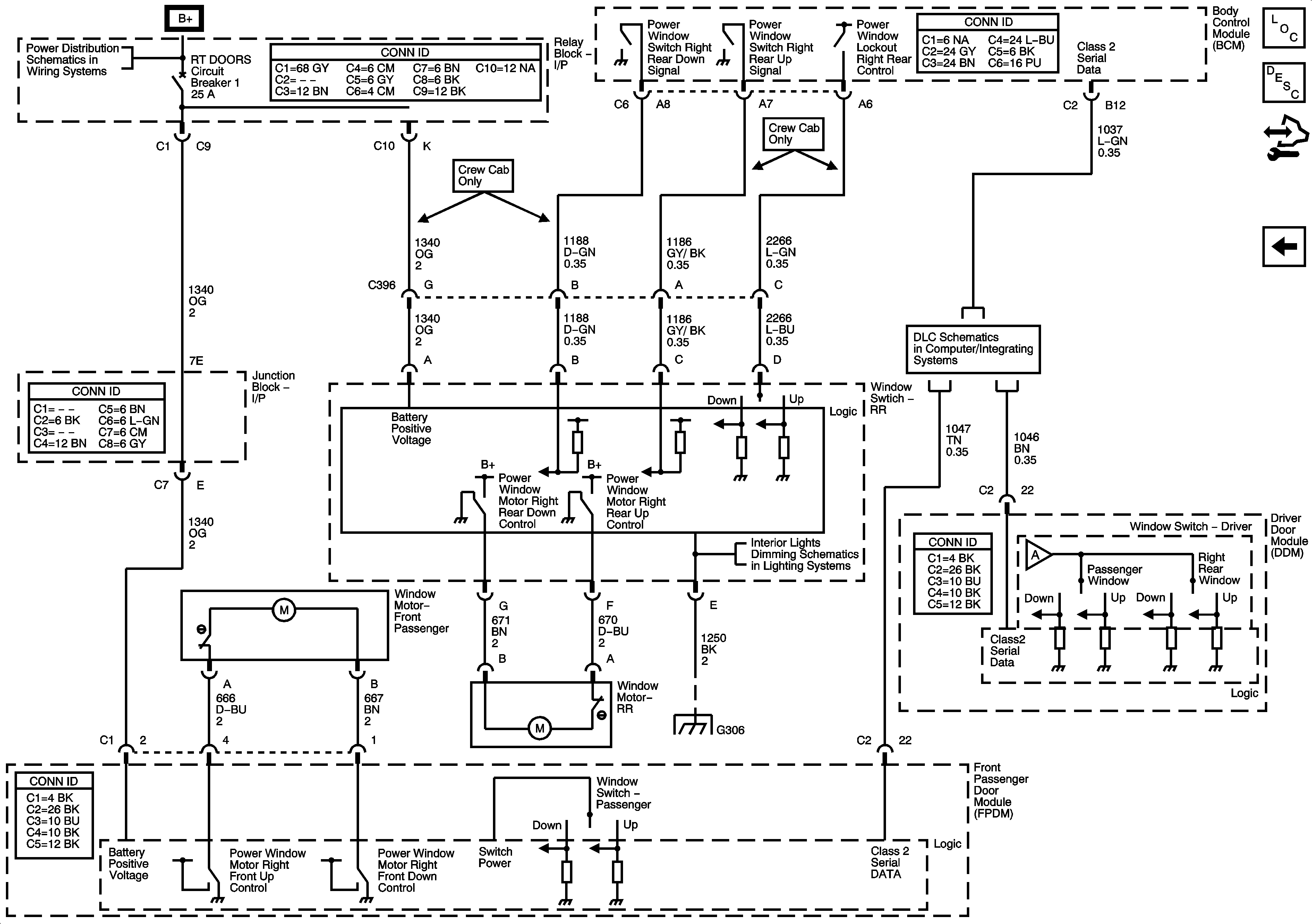
🢒 Right Doors
Right Doors
Right Doors
Master Electrical Component List
Power Windows Description and Operation
Control Module References
Left Doors
ABS, AUX HTR PMP, ESCM, HCM-B, MBEC 1, RTD, STUD1, STUD2, TRANS PUMP, VSES/ECAS Fuses and RT DOORS and SEAT Circuit Breakers
Power, Ground, DLC and Splice Pack SP 205
I/P Lamps Dimming Control Supply - 3 of 3
Left Doors
G304, G305, G306 and G390