GM Service Manual Online
For 1990-2009 cars only

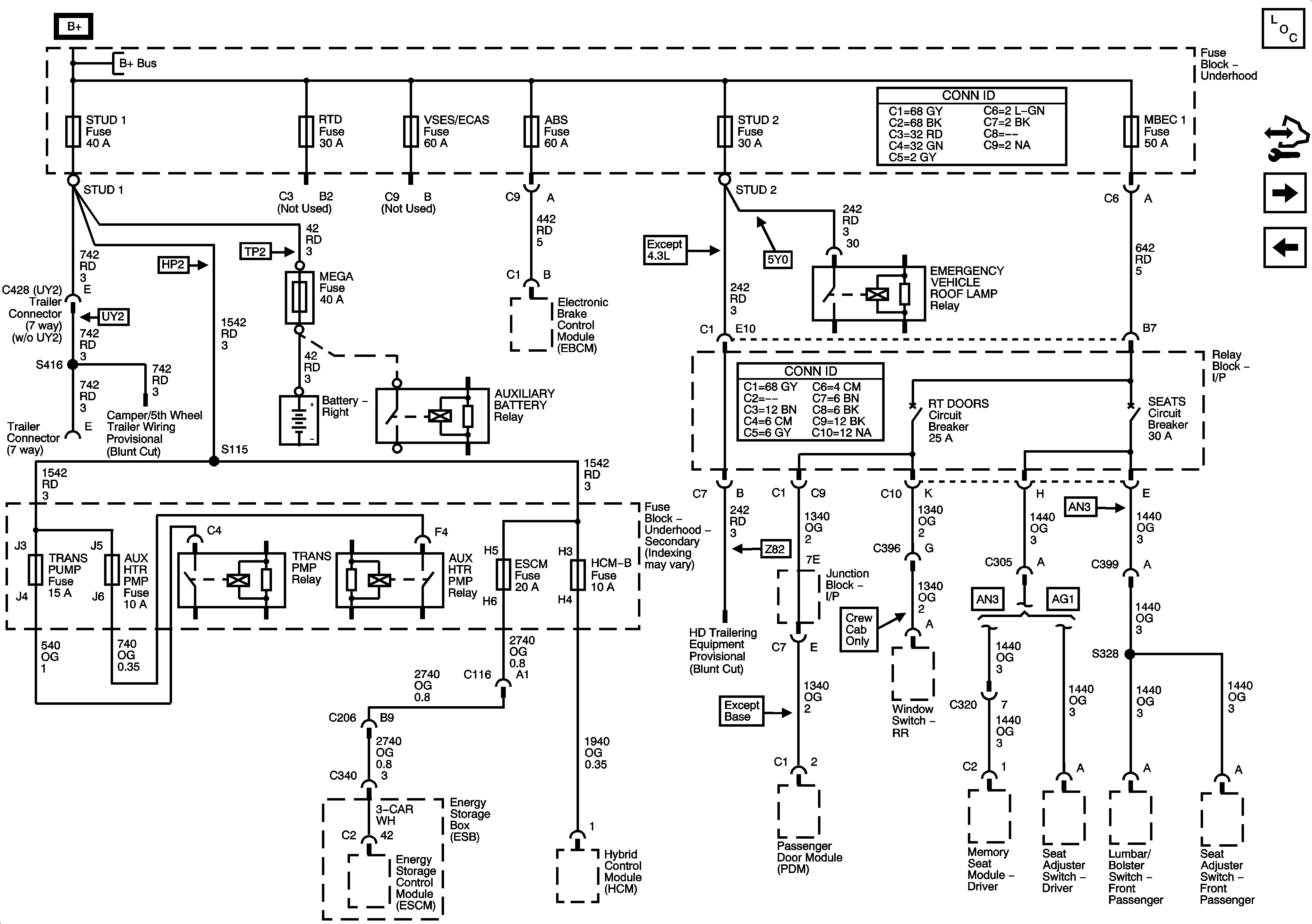
ABS, AUX HTR PMP, ESCM, HCM-B, MBEC 1, RTD,STUD1, STUD2, TRANS PUMP, VSES/ECAS Fuses and RT DOORS and SEAT Circuit Breakers

ABS, AUX HTR PMP, ESCM, HCM-B, MBEC 1, RTD, STUD 1, STUD 2, TRANS PUMP, and VSES/ECAS Fuses and RT DOORS and SEAT Circuit Breakers


Object Number: 1487266  Size: FS
Master Electrical Component List
Control Module References
4WS, RR WPR, STOP LP, TREC, VEH STOP and VEH CHMSL Fuses
B+ Bar Bus
B+ Bar Bus