GM Service Manual Online
For 1990-2009 cars only
Makes
🢒
Chevrolet
🢒
2005
🢒
Chevy C Silverado - 2WD
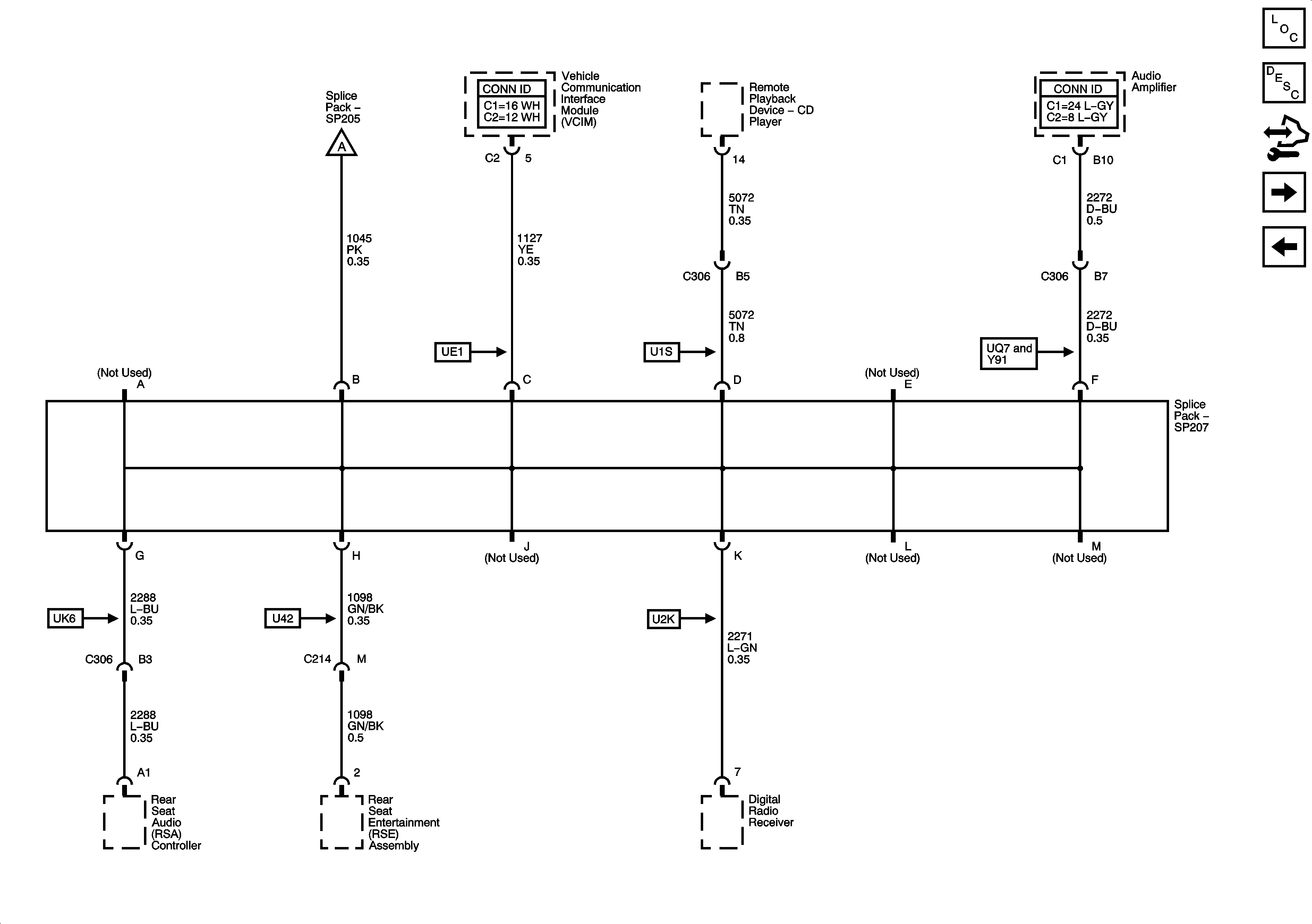
🢒 Splice Pack SP207
Splice Pack SP207
Splice Pack SP207
Master Electrical Component List
Data Link Communications Description and Operation
Control Module References
Controller Area Network (CAN) - Diesel
Power, Ground, DLC and Splice Pack SP 205
Power, Ground, DLC and Splice Pack SP 205