GM Service Manual Online
For 1990-2009 cars only
Makes
🢒
Chevrolet
🢒
2005
🢒
Chevy C Silverado - 2WD
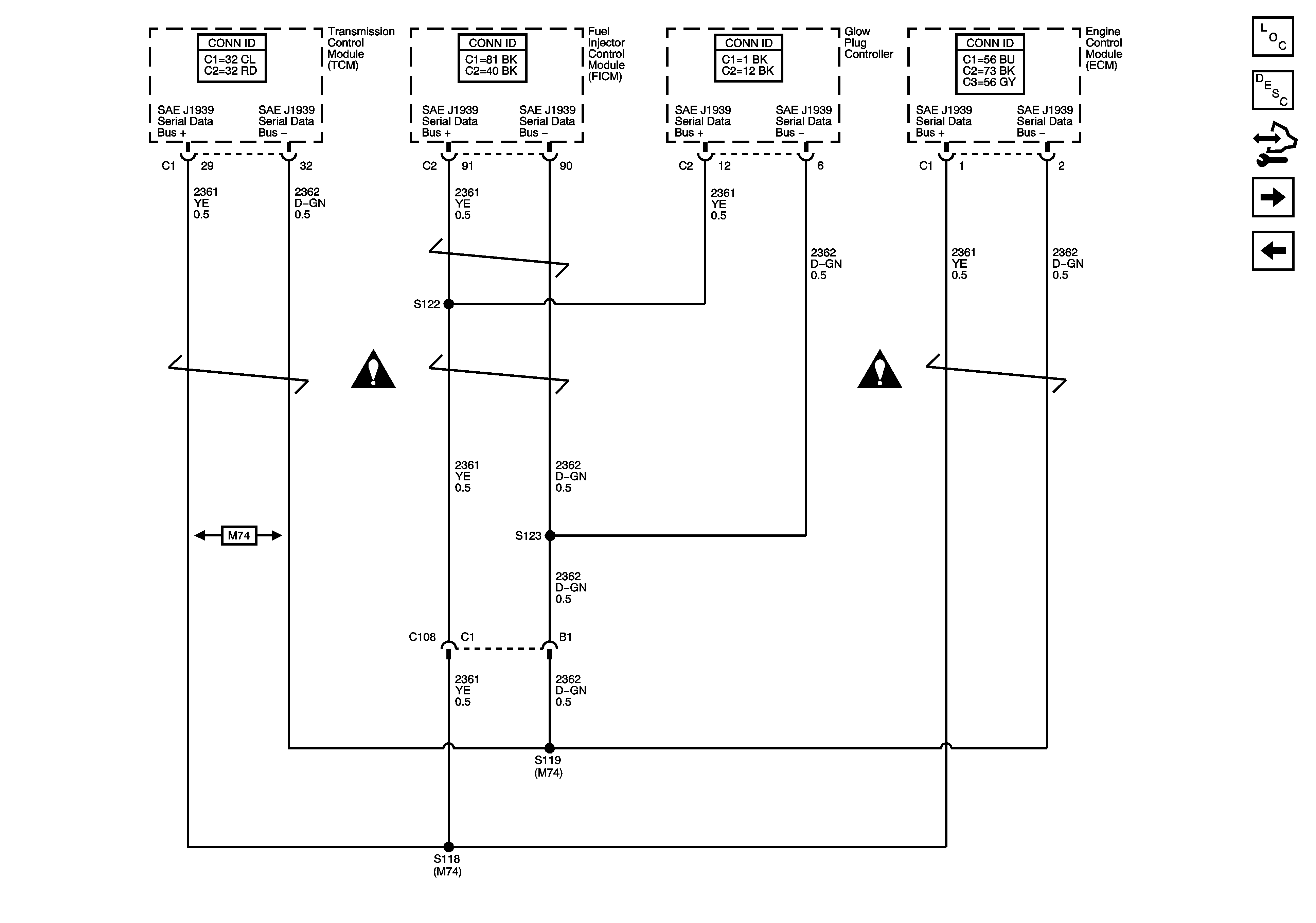
🢒 Controller Area Network (CAN) - Diesel
Controller Area Network (CAN) - Diesel
Controller Area Network (CAN) - Diesel
Master Electrical Component List
Data Link Communications Description and Operation
Control Module References
High Speed GM LAN (HP2)
Splice Pack SP207
Computer/Integrating Systems Schematic Icons
Computer/Integrating Systems Schematic Icons