GM Service Manual Online
For 1990-2009 cars only
Makes
🢒
Chevrolet
🢒
2006
🢒
Chevy C Silverado - 2WD
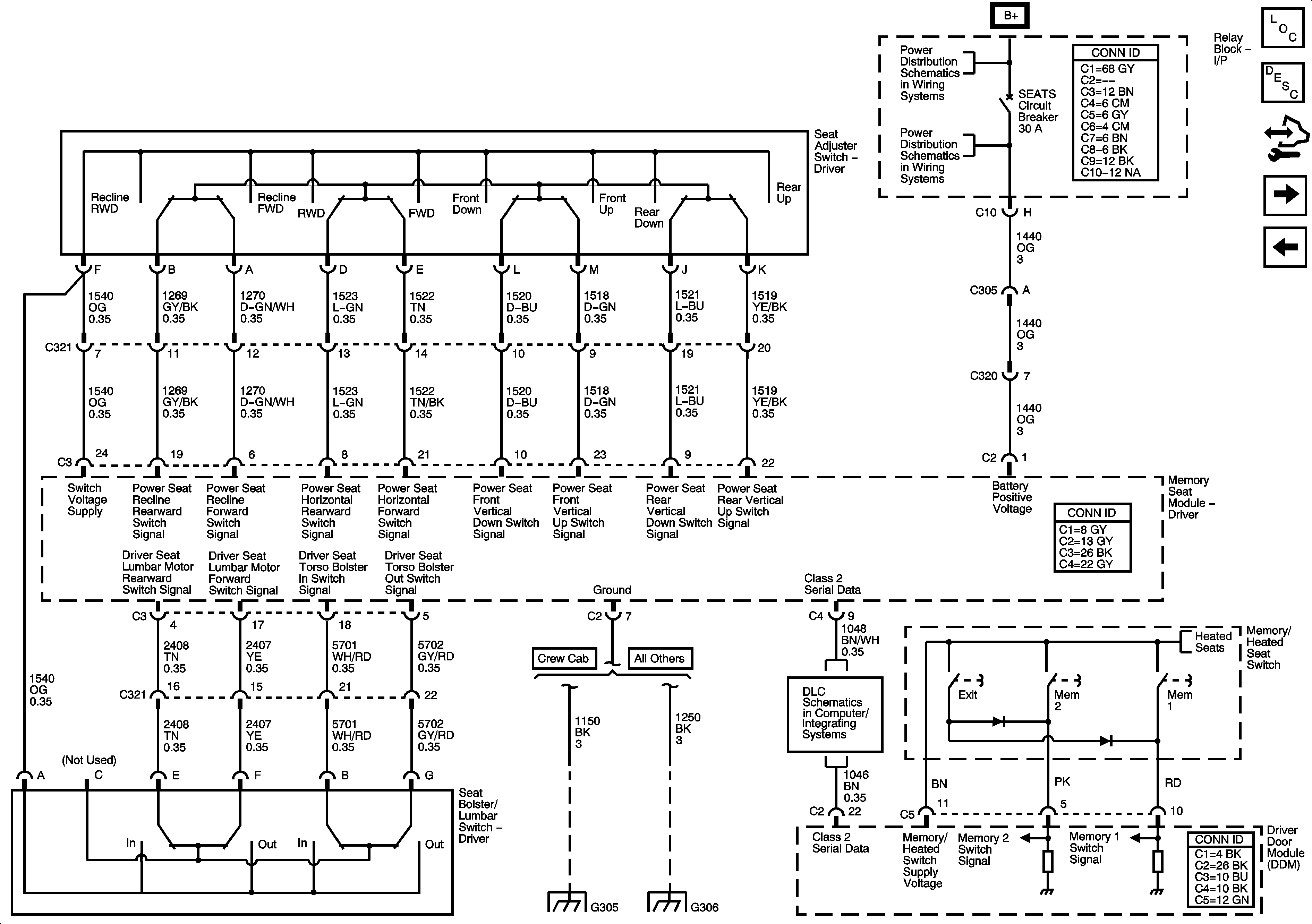
🢒 Power, Ground, Serial Data, and Seat Controls
Power, Ground, Serial Data, and Seat Controls
Power, Ground, Serial Data, and Seat Controls
Master Electrical Component List
Memory Seats Description and Operation
Control Module References
Seat Motors and Position Sensors
Driver - 6-Way
ABS, AUX HTR PMP, ESCM, HCM-B, MBEC1, RTD, STUD 1, STUD 2, TRANS PUMP, and VSES/ECAS Fuses and RT DOOR and SEAT Circuit Breakers
ABS, AUX HTR PMP, ESCM, HCM-B, MBEC1, RTD, STUD 1, STUD 2, TRANS PUMP, and VSES/ECAS Fuses and RT DOOR and SEAT Circuit Breakers
G304, G305, G306, and G390
G304, G305, G306, and G390
Power, Ground, DLC, and Splice Pack SP205
Heated Seat Controls (AN3)