GM Service Manual Online
For 1990-2009 cars only
Makes
🢒
Chevrolet
🢒
2006
🢒
Chevy C Silverado - 2WD
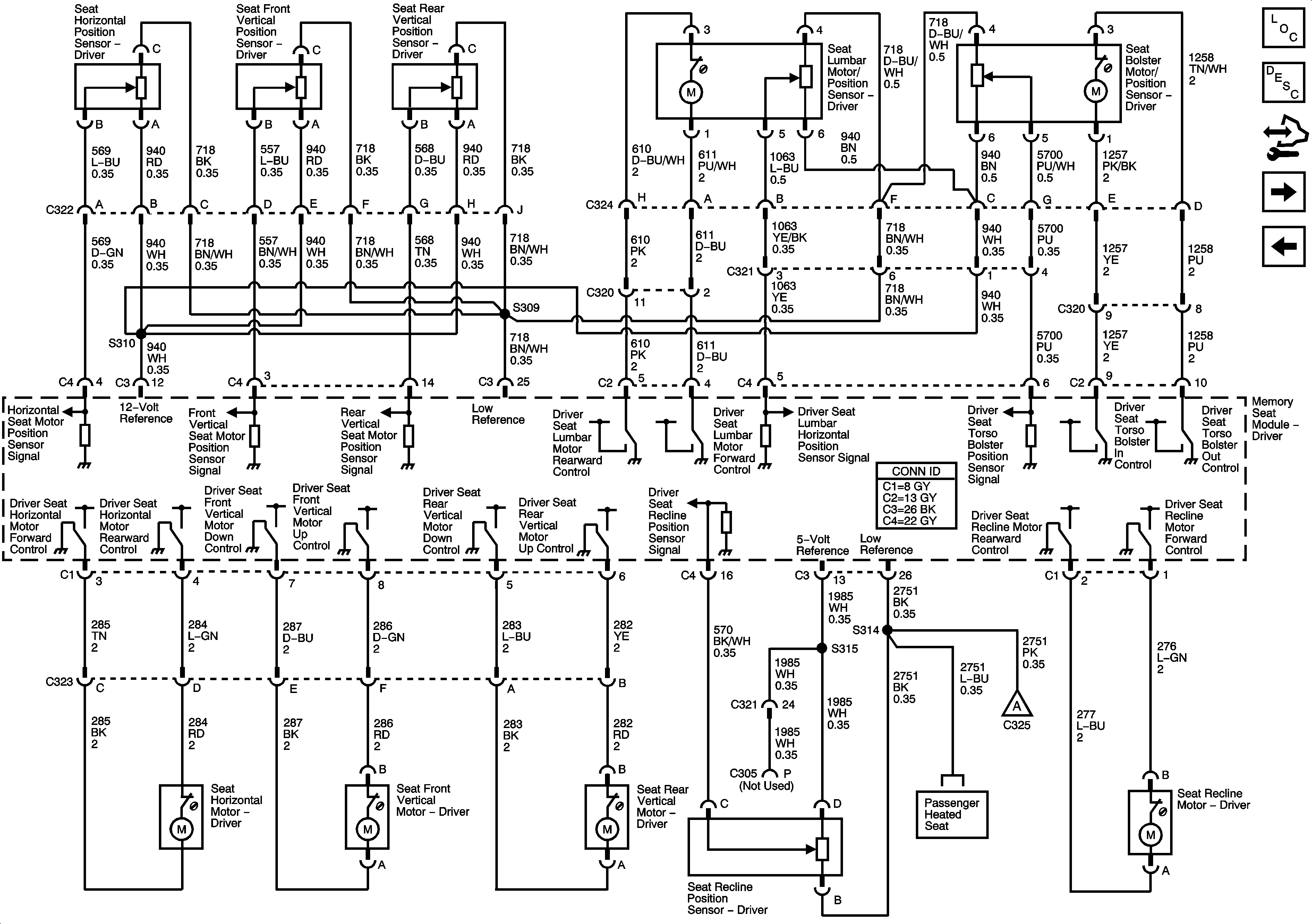
🢒 Seat Motors and Position Sensors
Seat Motors and Position Sensors
Seat Motors and Position Sensors
Master Electrical Component List
Memory Seats Description and Operation
Control Module References
Heated Seat Controls (AN3)
Power, Ground, Serial Data, and Seat Controls
Heated Seat Controls (AN3)
Heated Seat Controls