GM Service Manual Online
For 1990-2009 cars only
Makes
🢒
Chevrolet
🢒
1996
🢒
Chevy G Van
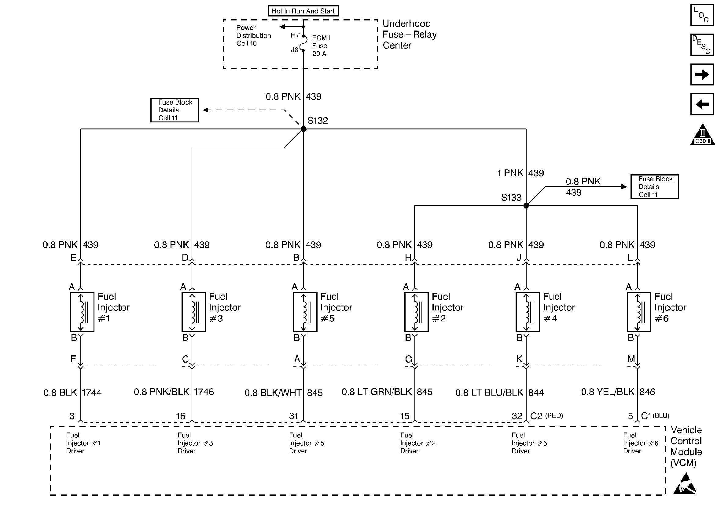
🢒 Injectors
Injectors
Injectors
Engine Controls Components
Information Sensors
OBD II Symbol Description Notice
Handling ESD Sensitive Parts Notice
MAP, IAT, TP, ECT Sensors
Fuel Pump, Fuel Pump Relay, Oil Pressure Gauge